Оригинальные каталоги
| № | Номер | Наименование | Цена | |
|---|---|---|---|---|
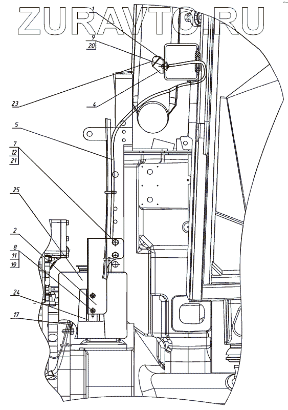
| 1021.4-5208010 | 1021.4-5208010 | Установка стеклоомывателя | Нет в продаже |
|
| 1 | 122.5208304 | Кронштейн | Нет в продаже |
|
| 2 | 1021-5208001 | Кронштейн | Нет в продаже |
|
| 3 | B.M4-6gx8.58.019 | Винт | Нет в продаже |
|
| 4 | M4-6H.6.019 | Гайка | Нет в продаже |
|
| 5 | 4 | Шайба ОСТ 37.001.115-75 | Нет в продаже |
|
| 6 | 920-3724224 | Провод | Нет в продаже |
|
| 7 | 122.5208000-35 | Омыватель электрический | Нет в продаже |
|
| 8 | 80-3723045 | Манжета | Нет в продаже |
|
| 9 | 923-5208002-02 | Трубка | Нет в продаже |
|
| 10 | B.M6-6gx12.58.019 | Винт | Нет в продаже |
|
| 11 | 6T | Шайба | Нет в продаже |
|
| 12 | 5208.10 | Жиклер | Нет в продаже |
|
| 13 | 80-5208011-А | Фланец | Нет в продаже |
|
| 14 | 70-3723042-01 | Втулка | Нет в продаже |
|
Содержащиеся в справочниках-каталогах запасные части и детали носят исключительно информационный характер