Оригинальные каталоги
| № | Номер | Наименование | Цена | |
|---|---|---|---|---|
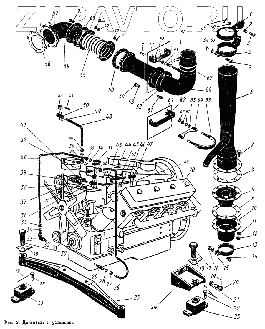
| 700.10.00.000-1 | 700.10.00.000-1 | Двигатель в сборе | Нет в продаже |
|
| 700.00.10.220 | 700.00.10.220 | Крышка с хомутиком в сборе | Нет в продаже |
|
| 700.00.10.000-1 | 700.00.10.000-1 | Установка двигателя | Нет в продаже |
|
| 700.00.10.080-3 | 700.00.10.080-3 | Эжектор с искрогасителем в сборе | Нет в продаже |
|
| 1 | 700.00.10.230 | Планка (в сборе с дет. 700.00.10.063-1) | Нет в продаже |
|
| 2 | 700.00.10.076 | Втулка | Нет в продаже |
|
| 3 | Болт М10Х45-021 ГОСТ 7811-62 | Болт М10Х45-021 ГОСТ 7811-62 | Нет в продаже |
|
| 4 | 700.00.10.150-1 | Хомут в сборе | Нет в продаже |
|
| 5 | Болт М6Х30-021 ГОСТ 7811-62 | Болт М6Х30-021 ГОСТ 7811-62 | Нет в продаже |
|
| 6 | 700.00.10.190-1 | Эжектор в сборе | Нет в продаже |
|
| 7 | Болт М8Х25-021 ГОСТ 7805-62 и ГОСТ 7808- | Болт М8Х25-021 ГОСТ 7805-62 и ГОСТ 7808-62 | Нет в продаже |
|
| 8 | 700.00.10.071 | Прокладка | Нет в продаже |
|
| 9 | 700.00.10.100-1 | Крыльчатка | Нет в продаже |
|
| 10 | 700.00.10.180 | Основание искрогасителя в сборе | Нет в продаже |
|
| 11 | Шайба пружинная 8Н ГОСТ 6402-61 | Шайба пружинная 8Н ГОСТ 6402-61 | Нет в продаже |
|
| 12 | Гайка М8-011 ГОСТ 5927-62 | Гайка М8-011 ГОСТ 5927-62 | Нет в продаже |
|
| 13 | 700.00.10.048 | Хомут | Нет в продаже |
|
| 14 | Болт М10Х45 ГОСТ 7811-62 | Болт М10Х45 ГОСТ 7811-62 | Нет в продаже |
|
| 15 | Шайба пружинная 10Н ГОСТ 6402-61 | Шайба пружинная 10Н ГОСТ 6402-61 | Нет в продаже |
|
| 16 | Гайка М10-011 ГОСТ 5927-62 | Гайка М10-011 ГОСТ 5927-62 | Нет в продаже |
|
| 17 | 700.00.10.012 | Болт | Нет в продаже |
|
| 18 | Шайба стопорная 28-2 ГОСТ 3693-52 | Шайба стопорная 28-2 ГОСТ 3693-52 | Нет в продаже |
|
| 19 | Проволока КО 1,6Х230 мм ГОСТ 792-67 | Проволока КО 1,6Х230 мм ГОСТ 792-67 | Нет в продаже |
|
| 20 | 700.10.00.013 | Болт | Нет в продаже |
|
| 21 | Шайба пружинная 14Н ГОСТ 6402-61 | Шайба пружинная 14Н ГОСТ 6402-61 | Нет в продаже |
|
| 22 | Болт III М16Х40-101 ГОСТ 7805-62 | Болт III М16Х40-101 ГОСТ 7805-62 | Нет в продаже |
|
| 23 | 700.00.10.020 | Амортизатор в сборе АКСС-400м | Нет в продаже |
|
| 24 | 700.10.00.011 | Кронштейн | Нет в продаже |
|
| 25 | 700.10.00.038 | Траверса | Нет в продаже |
|
| 26 | 700.10.00.029-3 | Труба | Нет в продаже |
|
| 27 | Гайка накидная 6 ГОСТ 9122-67 | Гайка накидная 6 ГОСТ 9122-67 | Нет в продаже |
|
| 28 | Муфта конусная 6 ГОСТ 9121-67 | Муфта конусная 6 ГОСТ 9121-67 | Нет в продаже |
|
| 29 | Штуцер ввертной 6 ГОСТ 9113-67 | Штуцер ввертной 6 ГОСТ 9113- 67 | Нет в продаже |
|
| 30 | 700.00.10.041 | Болт | Нет в продаже |
|
| 31 | Шайба пружинная 16Н ГОСТ 1 6402-61 | Шайба пружинная 16Н ГОСТ 1 6402-61 | Нет в продаже |
|
| 32 | 700.10.00.043 | Болт | Нет в продаже |
|
| 33 | Угольник ввертный 12 ГОСТ 9115-67 | Угольник ввертный 12 ГОСТ 9115-67 | Нет в продаже |
|
| 34 | Муфта конусная 12 ГОСТ 9121-67 | Муфта конусная 12 ГОСТ 9121-67 | Нет в продаже |
|
| 35 | Гайка накидная 12 ГОСТ 9122-67 | Гайка накидная 12 ГОСТ 9122-67 | Нет в продаже |
|
| 36 | Болт М8Х20-021 ГОСТ 7808-62 | Болт М8Х20-021 ГОСТ 7808-62 | Нет в продаже |
|
| 37 | 700.10.00.020 | Компрессор пневматического тормоза | Нет в продаже |
|
| 38 | 700.10.00.037-2 | Патрубок | Нет в продаже |
|
| 39 | 700.10.00.026 | Прокладка | Нет в продаже |
|
| 40 | 700.10.00.046 | Труба | Нет в продаже |
|
| 41 | 700.10.00.028 | Прокладка | Нет в продаже |
|
| 42 | Рамка ХР | Рамка ХР | Нет в продаже |
|
| 43 | Шплинт ХШ | Шплинт ХШ | Нет в продаже |
|
| 44 | 700.10.00.047 | Хомут | Нет в продаже |
|
| 45 | 700.10.00.045-1 | Труба | Нет в продаже |
|
| 46 | Лента ХЛ-300 | Лента ХЛ-300 | Нет в продаже |
|
| 47 | Рукав 1У22-15Х60 | Рукав 1У22-15Х60 | Нет в продаже |
|
| 48 | 700.10.00.016-1 | Труба | Нет в продаже |
|
| 49 | Лента ХЛ-225 | Лента ХЛ-225 | Нет в продаже |
|
| 50 | Рукав 1У12-15Х100 | Рукав 1У12-15Х100 | Нет в продаже |
|
| 51 | Болт М6Х20-021 ГОСТ 7805-62 | Болт М6Х20-021 ГОСТ 7805-62 | Нет в продаже |
|
| 52 | 700.00.10.037 | Полукольцо | Нет в продаже |
|
| 53 | Шайба пружинная 6Н ГОСТ 6402-61 | Шайба пружинная 6Н ГОСТ 6402-61 | Нет в продаже |
|
| 54 | Гайка М61011 ГОСТ 6927-62 | Гайка М61011 ГОСТ 6927-62 | Нет в продаже |
|
| 55 | 700.00.10.070-1 | Сильфом в сборе | Нет в продаже |
|
| 56 | 700.10.00.018-2 | Прокладка | Нет в продаже |
|
| 57 | Шайба пружинная 10Н ГОСТ 6402-61 | Шайба пружинная 10Н ГОСТ 6402-61 | Нет в продаже |
|
| 58 | 700.00.10.075-02 | Хомут | Нет в продаже |
|
| 59 | 700.10.00.030-1 | Труба в сборе | Нет в продаже |
|
| 60 | 700.00.10.022 | Прокладка | Нет в продаже |
|
| 61 | Гайка М12-011 ГОСТ 5927-62 | Гайка М12-011 ГОСТ 5927-62 | Нет в продаже |
|
| 62 | Шайба стопорная 13-2 ГОСТ 3693-52 | Шайба стопорная 13-2 ГОСТ 3693- 52 | Нет в продаже |
|
| 63 | Шайба пружинная 12Н ГОСТ 6402-61 | Шайба пружинная 12Н ГОСТ 6402-61 | Нет в продаже |
|
| 64 | 700.00.10.075-01 | Хомут | Нет в продаже |
|
| 65 | 700.00.10.200 | Хомут | Нет в продаже |
|
| 66 | 700.00.10.090 | Труба в сборе | Нет в продаже |
|
| 67 | 700.00.10.210 | Хомут | Нет в продаже |
|
| 68 | Шплинт 2,5Х25-001 ГОСТ 397-66 | Шплинт 2,5Х25-001 ГОСТ 397-66 | Нет в продаже |
|
| 69 | Гайка М10-011 ГОСТ 5932-62 | Гайка М10-011 ГОСТ 5932-62 | Нет в продаже |
|
| 70 | 700.10.00.090-1 | Двигатель ЯМЗ-238НБ | Нет в продаже |
|
1
2
3
4
5
6
7
7
7
8
8
9
10
11
11
11
11
12
12
12
13
14
15
16
17
18
18
19
19
19
20
21
22
22
23
23
24
25
26
27
27
28
28
29
29
30
31
32
33
33
33
34
34
34
35
35
35
36
37
38
39
40
41
42
42
42
43
43
43
44
45
46
47
48
49
50
51
52
53
53
54
54
55
56
57
58
59
60
60
61
61
61
61
62
62
62
63
63
64
65
66
67
68
69
70
Содержащиеся в справочниках-каталогах запасные части и детали носят исключительно информационный характер