Оригинальные каталоги
| № | Номер | Наименование | Цена | |
|---|---|---|---|---|
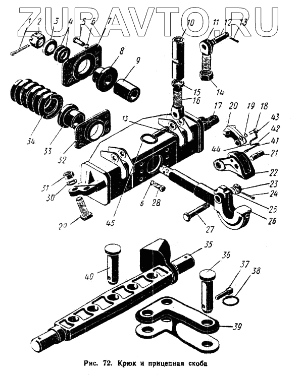
| 700.46.29.000-2 | 700.46.29.000-2 | Крюк гидрофицированный | Нет в продаже |
|
| 700.46.30.000 | 700.46.30.000 | Скоба прицепная | Нет в продаже |
|
| 1 | Шплинт 6,3Х70-001 ГОСТ 397-66 | Шплинт 6,3Х70-001 ГОСТ 397-66 | Нет в продаже |
|
| 2 | Гайка М36Х3-016 ГОСТ 5932-62 | Гайка М36Х3-016 ГОСТ 5932-62 | Нет в продаже |
|
| 3 | Шайба 36-005 ГОСТ 11371-68 | Шайба 36-005 ГОСТ 11371-68 | Нет в продаже |
|
| 4 | 700.46.29.033 | Прокладка | Нет в продаже |
|
| 5 | Болт М16Х1,5Х50-106 ГОСТ 7808-62 | Болт М16Х1,5Х50-106 ГОСТ 7808-62 | Нет в продаже |
|
| 6 | Шайба пружинная 16Н ГОСТ 6402-61 | Шайба пружинная 16Н ГОСТ 6402-61 | Нет в продаже |
|
| 7 | 700.46.29.017-2 | Фланец задний | Нет в продаже |
|
| 8 | 700.46.29.014-2 | Втулка | Нет в продаже |
|
| 9 | 700.46.29.015-2 | Втулка | Нет в продаже |
|
| 10 | 700.46.00.024-3 | Гайка | Нет в продаже |
|
| 11 | 700.46.00.085-01 | Винт стяжной | Нет в продаже |
|
| 12 | 700.46.00.026-1 | Палец | Нет в продаже |
|
| 13 | Шплинт пружинный 18 | Шплинт пружинный 18 | Нет в продаже |
|
| 14 | Гайка М36Х3-011 ГОСТ 5929-62 | Гайка М36Х3-011 ГОСТ 5929-62 | Нет в продаже |
|
| 15 | Гайка М36Х3-011 лев. ГОСТ 5929-62 | Гайка М36Х3-011 лев. ГОСТ 5929-62 | Нет в продаже |
|
| 16 | 700.46.00.085-02 | Винт стяжной | Нет в продаже |
|
| 17 | 700.46.29.010-4 | Балка в сборе | Нет в продаже |
|
| 18 | 700.46.29.021 | Болт стопорный | Нет в продаже |
|
| 19 | Шайба пружинная 8Н ГОСТ 6402-61 | Шайба пружинная 8Н ГОСТ 6402-61 | Нет в продаже |
|
| 20 | 700.46.29.028 | Собачка защелки | Нет в продаже |
|
| 21 | 700.46.29.019 | Ось собачки | Нет в продаже |
|
| 22 | 700.46.29.012 | Защелка | Нет в продаже |
|
| 23 | Гайка М24Х2-016 ГОСТ 5933-62 | Гайка М24Х2-016 ГОСТ 5933-62 | Нет в продаже |
|
| 24 | Шплинт 5Х45-001 ГОСТ 397-66 | Шплинт 5Х45-001 ГОСТ 397-66 | Нет в продаже |
|
| 25 | Шайба 24-005 ГОСТ 11371-68 | Шайба 24-005 ГОСТ 11371-68 | Нет в продаже |
|
| 26 | 700.46.29.011-2 | Крюк буксирный | Нет в продаже |
|
| 27 | 700.46.29.018-1 | Палец защелки | Нет в продаже |
|
| 28 | Болт М16Х1,5Х35-106 ГОСТ 7808-62 | Болт М16Х1,5Х35-106 ГОСТ 7808-62 | Нет в продаже |
|
| 29 | 700.46.00.028-3 | Палец | Нет в продаже |
|
| 30 | Шайба 30-001 ГОСТ 11371-68 | Шайба 30-001 ГОСТ 11371-68 | Нет в продаже |
|
| 31 | Гайка М30Х2-011 ГОСТ 5927-52 | Гайка М30Х2-011 ГОСТ 5927-52 | Нет в продаже |
|
| 32 | 700.46.29.016-2 | Фланец передний | Нет в продаже |
|
| 33 | 700.46.29.048-1 | Втулка | Нет в продаже |
|
| 34 | 700.46.29.013 | Пружина | Нет в продаже |
|
| 35 | 700.46.30.010-1 | Скоба в сборе | Нет в продаже |
|
| 36 | 700.46.30.013 | Палец | Нет в продаже |
|
| 37 | 700.46.28.055 | Чека | Нет в продаже |
|
| 38 | 700.46.28.056 | Кольцо | Нет в продаже |
|
| 39 | 700.46.30.015-2 | Вилка | Нет в продаже |
|
| 40 | 700.46.30.012-1 | Палец | Нет в продаже |
|
| 41 | 700.46.29.038 | Шплинт пружинный | Нет в продаже |
|
| 42 | 700.46.29.031 | Крючок | Нет в продаже |
|
| 43 | 700.46.29.032 | Скобка | Нет в продаже |
|
| 44 | 700.14.00.053 | Звено цепочки | Нет в продаже |
|
| 45 | 700.46.00.040-1 | Палец в сборе | Нет в продаже |
|
1
2
3
4
5
6
6
7
8
9
10
11
12
13
13
14
15
16
17
18
19
20
21
22
23
24
25
26
27
28
29
30
31
32
33
34
35
36
37
38
39
40
41
42
43
44
45
Содержащиеся в справочниках-каталогах запасные части и детали носят исключительно информационный характер