Оригинальные каталоги
| № | Номер | Наименование | Цена | |
|---|---|---|---|---|
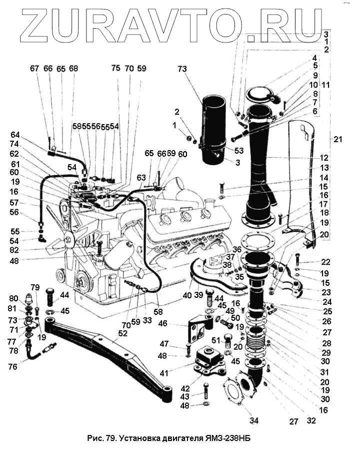
| 700А.10.00.000-1 | 700А.10.00.000-1 | Двигатель в сборе | Нет в продаже |
|
| 700А.00.10.000-2 | 700А.00.10.000-2 | Установка двигателя | Нет в продаже |
|
| 1 | Гайка М6 ГОСТ 5927-70 | Гайка М6 ГОСТ 5927-70 | Нет в продаже |
|
| 2 | Шайба 6.65Г ГОСТ 6402-70 | Шайба 6.65Г ГОСТ 6402-70 | Нет в продаже |
|
| 3 | Болт М6Х30 ГОСТ 7811-70 | Болт М6Х30 ГОСТ 7811-70 | Нет в продаже |
|
| 4 | 700.00.10.063-1 | Крышка | Нет в продаже |
|
| 5 | 700.00.10.230 | Планка (в сборе с дет. 700.00.10.063-1) | Нет в продаже |
|
| 6 | Болт 2М10Х45 ГОСТ 7811-70 | Болт 2М10Х45 ГОСТ 7811-70 | Нет в продаже |
|
| 7 | 700.00.10.076 | Втулка | Нет в продаже |
|
| 8 | 701.00.10.160 | Хомут в сборе | Нет в продаже |
|
| 9 | Шплинт 2.5Х25 ГОСТ 397-79 | Шплинт 2.5Х25 ГОСТ 397-79 | Нет в продаже |
|
| 10 | Гайка М10 ГОСТ 5932-73 | Гайка М10 ГОСТ 5932-73 | Нет в продаже |
|
| 11 | 701.00.10.150 | Крышка с хомутом в сборе | Нет в продаже |
|
| 12 | 701.00.10.250 | Эжектор в сборе | Нет в продаже |
|
| 13 | 701.00.10.200-1 | Экран в сборе | Нет в продаже |
|
| 14 | Бол т М8Х25 ГОСТ 7808-70 | Бол т М8Х25 ГОСТ 7808-70 | Нет в продаже |
|
| 15 | Шайба 8.01 ГОСТ 11371-78 | Шайба 8.01 ГОСТ 11371-78 | Нет в продаже |
|
| 16 | Болт М8Х20 ГОСТ 7808-70 | Болт М8Х20 ГОСТ 7808-70 | Нет в продаже |
|
| 17 | 700.00.10.071 | Прокладка | Нет в продаже |
|
| 18 | 701.00.10.180 | Основание искрогасителя в сборе | Нет в продаже |
|
| 19 | Шайба 8.65Г ГОСТ 6402-70 | Шайба 8.65Г ГОСТ 6402-70 | Нет в продаже |
|
| 20 | Гайка М8 ГОСТ 5927-70 | Гайка М8 ГОСТ 5927-70 | Нет в продаже |
|
| 21 | 701.00.10.210-1 | Эжектор с искрогасителем и экраном в сборе | Нет в продаже |
|
| 22 | Болт М8Х35 ГОСТ 7811-70 | Болт М8Х35 ГОСТ 7811-70 | Нет в продаже |
|
| 23 | 701.00.10.260 | Половина фланца | Нет в продаже |
|
| 24 | 700А.00.10.016-01 | Половина фланца | Нет в продаже |
|
| 25 | 700.00.10.048 | Хомут | Нет в продаже |
|
| 26 | Гайка М10 ГОСТ 5927-70 | Гайка М10 ГОСТ 5927-70 | Нет в продаже |
|
| 27 | Шайба 10.65Г ГОСТ 6402-70 | Шайба 10.65Г ГОСТ 6402-70 | Нет в продаже |
|
| 28 | Болт М10Х45 ГОСТ 7811-70 | Болт М10Х45 ГОСТ 7811-70 | Нет в продаже |
|
| 29 | 700А.00.10.200 | Труба в сборе | Нет в продаже |
|
| 30 | 700.00.10.022 | Прокладка | Нет в продаже |
|
| 31 | 700.00.10.070-1 | Сильфом в сборе | Нет в продаже |
|
| 32 | 700А.10.00.030-1 | Труба в сборе | Нет в продаже |
|
| 33 | Гайка 1-6 ГОСТ 9122-67 | Гайка 1-6 ГОСТ 9122-67 | Нет в продаже |
|
| 34 | 700.10.00.018-3 | Прокладка | Нет в продаже |
|
| 35 | 700А.00.10.018 | Хомут | Нет в продаже |
|
| 36 | Гайка М12 ГОСТ 5927-70 | Гайка М12 ГОСТ 5927-70 | Нет в продаже |
|
| 37 | Шайба 12.65Г ГОСТ 6402-70 | Шайба 12.65Г ГОСТ 6402-70 | Нет в продаже |
|
| 38 | Болт М12Х55 ГОСТ 7811-70 | Болт М12Х55 ГОСТ 7811-70 | Нет в продаже |
|
| 39 | 700А.00.10.040 | Половина фланца в сборе | Нет в продаже |
|
| 40 | 700А.00.10.020 | Половина фланца в сборе | Нет в продаже |
|
| 41 | 700.00.10.020 | Амортизатор в сборе АКСС-400м | Нет в продаже |
|
| 42 | 700А.00.10.021 | Проставка | Нет в продаже |
|
| 43 | Болт М16Х70 ГОСТ 7811 -70 | Болт М16Х70 ГОСТ 7811 -70 | Нет в продаже |
|
| 44 | Болт М27Х110 ГОСТ 7808-70 | Болт М27Х110 ГОСТ 7808-70 | Нет в продаже |
|
| 45 | Шайба 27.65Г ГОСТ 6402-70 | Шайба 27.65Г ГОСТ 6402-70 | Нет в продаже |
|
| 46 | 700А.10.00.011-1 | Кронштейн | Нет в продаже |
|
| 47 | Болт М16Х40 ГОСТ 7811-70 | Болт М16Х40 ГОСТ 7811-70 | Нет в продаже |
|
| 48 | Шайба 16.65Г ГОСТ 6402-70 | Шайба 16.65Г ГОСТ 6402-70 | Нет в продаже |
|
| 49 | Шайба 14.65Г ГОСТ 6402-70 | Шайба 14.65Г ГОСТ 6402-70 | Нет в продаже |
|
| 50 | 700.10.00.013 | Болт | Нет в продаже |
|
| 51 | Болт М27Х70 ГОСТ 7808-70 | Болт М27Х70 ГОСТ 7808-70 | Нет в продаже |
|
| 52 | 700.10.00.038 | Траверса | Нет в продаже |
|
| 53 | 700.00.10.067-1 | Хомут | Нет в продаже |
|
| 54 | Угольник 1-12 ГОСТ 9115-67 | Угольник 1-12 ГОСТ 9115-67 | Нет в продаже |
|
| 55 | Муфта 12 ГОСТ 9121-67 | Муфта 12 ГОСТ 9121-67 | Нет в продаже |
|
| 56 | Гайка 1-12 ГОСТ 9122-67 | Гайка 1-12 ГОСТ 9122-67 | Нет в продаже |
|
| 57 | 700.10.00.046 | Труба | Нет в продаже |
|
| 58 | 700.10.00.029-3 | Труба | Нет в продаже |
|
| 59 | Муфта 6 ГОСТ 9121-67 | Муфта 6 ГОСТ 9121-67 | Нет в продаже |
|
| 60 | Рукав 22Х32-16 ГОСТ 10362-76: L=80мм | Рукав 22Х32-16 ГОСТ 10362-76: L=80мм | Нет в продаже |
|
| 61 | 700А.10.00.012 | Патрубок | Нет в продаже |
|
| 62 | 700.10.00.026 | Прокладка | Нет в продаже |
|
| 63 | 700А.10.00.045-2 | Труба | Нет в продаже |
|
| 64 | 701.10.00.089 | Трубка | Нет в продаже |
|
| 65 | 3408-1 | Шплинт хомута 6.3 ОСТ 3-408-70 | Нет в продаже |
|
| 66 | А52426-24 | Рамка хомута ОСТ 3-408-70 | Нет в продаже |
|
| 67 | Лента 225 ГОСТ 503-71 | Лента 225 ГОСТ 503-71 | Нет в продаже |
|
| 68 | 700.10.00.048 | Труба | Нет в продаже |
|
| 69 | Лента 300 ГОСТ 503-71 | Лента 300 ГОСТ 503-71 | Нет в продаже |
|
| 70 | Штуцер 1-6 ГОСТ 9113-67 | Штуцер 1-6 ГОСТ 9113-67 | Нет в продаже |
|
| 71 | 700А.38.00.011-1 | Кронштейн | Нет в продаже |
|
| 72 | 700.10.00.047 | Хомут | Нет в продаже |
|
| 73 | 701.81.00.010 | Насадок в сборе | Нет в продаже |
|
| 74 | 700.10.00.020 | Компрессор пневматического тормоза | Нет в продаже |
|
| 75 | 700.10.00.028 | Прокладка | Нет в продаже |
|
| 76 | 700.38.0.090 | Рукав | Нет в продаже |
|
| 77 | 700.38.00.017 | Втулка | Нет в продаже |
|
| 78 | 700.38.00.018 | Планка | Нет в продаже |
|
| 79 | Болт М8Х16 ГОСТ 7808-70 | Болт М8Х16 ГОСТ 7808-70 | Нет в продаже |
|
| 80 | Гайка М20Х1.5 ГОСТ 5927-70 | Гайка М20Х1.5 ГОСТ 5927-70 | Нет в продаже |
|
| 81 | Шайба 20.65Г ГОСТ 6402-70 | Шайба 20.65Г ГОСТ 6402-70 | Нет в продаже |
|
| 82 | Болт М16Х55 ГОСТ 7811-70 | Болт М16Х55 ГОСТ 7811-70 | Нет в продаже |
|
1
1
2
2
3
3
4
5
6
7
8
9
10
11
12
13
14
15
15
16
16
16
16
17
18
19
19
19
19
19
19
20
20
20
21
22
23
24
25
26
27
27
28
29
30
30
31
32
33
34
35
36
37
38
39
40
41
42
43
44
44
45
45
45
46
47
48
48
48
49
50
51
52
53
54
54
54
55
55
55
56
56
57
58
58
59
59
60
60
61
62
63
64
65
65
66
66
67
68
69
70
70
71
73
73
74
75
76
77
78
79
80
81
82
Содержащиеся в справочниках-каталогах запасные части и детали носят исключительно информационный характер