Оригинальные каталоги
| № | Номер | Наименование | Цена | |
|---|---|---|---|---|
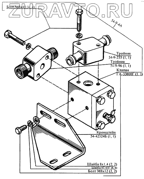
| Болт М8х12 | Болт М8х12 | Болт М8х12 | Нет в продаже |
|
| Болт М8х45 | Болт М8х45 | Болт М8х45 | Нет в продаже |
|
| 54-9-4А | 54-9-4А | Клапан предохранительный | Нет в продаже |
|
| ГА-33000Г | ГА-33000Г | Клапан предохранительный | Нет в продаже |
|
| 54-42324Б | 54-42324Б | Кронштейн | Нет в продаже |
|
| 54-9-255 | 54-9-255 | Тройник | Нет в продаже |
|
| 54-9-96 | 54-9-96 | Тройник | Нет в продаже |
|
| 8Т.65Г | 8Т.65Г | Шайба | Нет в продаже |
|
| Шайба 8х1,4 | Шайба 8х1,4 | Шайба 8х1,4 | Нет в продаже |
|
Болт М8х12
Болт М8х45
54-9-4А
ГА-33000Г
54-42324Б
54-9-255
54-9-96
8Т.65Г
Шайба 8х1,4
Содержащиеся в справочниках-каталогах запасные части и детали носят исключительно информационный характер