Назад

Оригинальные каталоги

zoom-in zoom-out enlarge shrink circle-right circle-left file-text2 info cart
Номер Наименование Цена
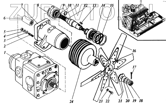
1 НП-9000.000 Гидронасос аксиально-поршневой Нет в продаже
2 РСМ-10.05.04.612Б Шпилька Нет в продаже
3 С14х5.01.019 Шайба Нет в продаже
4 14Т.65Г.019 Шайба Нет в продаже
5 М14-6Н.6.019 Гайка Нет в продаже
6 РСМ-10.05.04.609А Муфта Нет в продаже
7 РСМ-10.05.04.101Г Корпус Нет в продаже
8 С110 Кольцо ГОСТ 13943-86 Нет в продаже
9 180712К10С27 Подшипник или 180712АС27 Нет в продаже
9 180712АС27 Подшипник или 180712К10С27 Нет в продаже
10 РСМ-10.05.04.007Д Втулка Нет в продаже
11 РСМ-10.05.04.465Б Ограничитель Нет в продаже
12 РСМ-10.05.04.602Г Вал Нет в продаже
13 3-16х10х40 Шпонка Нет в продаже
14 РСМ-10.05.04.412Б Шайба защитная Нет в продаже
15 РСМ-10.05.04.478 Шайба Нет в продаже
16 РСМ-10.05.04.270 Вентилятор Нет в продаже
17 5х50.019 Шплинт Нет в продаже
18 М27х2,6Н.04.019 Гайка Нет в продаже
19 РСМ-10.05.04.414 Шайба Нет в продаже
20 РСМ-10.05.04.409 Шайба Нет в продаже
21 РСМ-10.05.04.411 Шайба Нет в продаже
22 М8-8gх30.88.35.019 Болт Нет в продаже
23 8Т.65Г.019 Шайба Нет в продаже
24 РСМ-10.05.04.102В Шкив диаметр 224/200 Нет в продаже
25 РСМ-10Б.05.04.050 Привод гидронасоса Нет в продаже
1
2
3
4
5
6
7
8
9
9
10
11
12
13
14
15
16
17
18
19
20
21
22
23
24
100%
Содержащиеся в справочниках-каталогах запасные части и детали носят исключительно информационный характер