Оригинальные каталоги
| № | Номер | Наименование | Цена | |
|---|---|---|---|---|
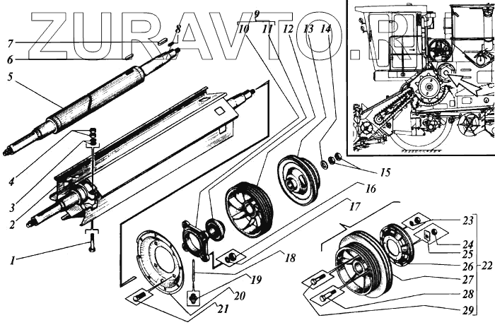
| 1 | М16-6gх120.88.35.019 | Болт | Нет в продаже |
|
| 2 | РСМ-8.01.21.110 | Битер отбойный (с валом) | Нет в продаже |
|
| 2 | РСМ-10Б.01.21.230 | Битер отбойный (с валом) или РСМ-10.01.21.110А | Нет в продаже |
|
| 2 | РСМ-10.01.21.110А | Битер отбойный (с валом) или РСМ-10Б.01.21.230 | Нет в продаже |
|
| 3 | РСМ-10.01.21.404 | Шайба | Нет в продаже |
|
| 4 | М16-6Н.6.019 | Гайка | Нет в продаже |
|
| 5 | РСМ-8.01.21.140А | Вал сварной с диаметрами цапф 70 мм и 80 мм | Нет в продаже |
|
| 5 | РСМ-10Б.01.21.240 | Вал сварной с диаметрами цапф 70 мм и 80 мм или РСМ-10.01.21.140А | Нет в продаже |
|
| 5 | РСМ-10.01.21.140А | Вал сварной с диаметрами цапф 70 мм и 80 мм или РСМ-10Б.01.21.240 | Нет в продаже |
|
| 6 | 10х8х70 | Шпонка | Нет в продаже |
|
| 7 | 18х11х90 | Шпонка | Нет в продаже |
|
| 8 | 14х9х56 | Шпонка | Нет в продаже |
|
| 9 | Н.027.01.160 | Подшипник в сборе или опора или РСМ-10.01.15.330 | Нет в продаже |
|
| 10 | РСМ-10Б.01.21.111 | Корпус подшипника или Н.027.116 | Нет в продаже |
|
| 10 | Н.027.116 | Корпус подшипника | Нет в продаже |
|
| 11 | 680314НК7С17 | Подшипник или 680314НК7С27 | Нет в продаже |
|
| 12 | РСМ-10.01.21.170 | Шкив для комбайнов с копнителем или РСМ-10.01.21.108 | Нет в продаже |
|
| 12 | РСМ-10.01.21.108 | Шкив для комбайнов с копнителем или РСМ-10.01.21.170 | Нет в продаже |
|
| 13 | РСМ-10.01.21.106 | Шкив привода контрприводов | Нет в продаже |
|
| 14 | С24х6.01.019 | Шайба | Нет в продаже |
|
| 15 | М24х2-6Н.04.35.019 | Гайка | Нет в продаже |
|
| 16 | М16-6Н.6.019 | Гайка | Нет в продаже |
|
| 17 | 16Т.65Г.019 | Шайба | Нет в продаже |
|
| 18 | 44Б-80243 | Трубка | Нет в продаже |
|
| 19 | 1.2.Ц6хр | Масленка | Нет в продаже |
|
| 20 | РСМ-10.01.21.403 | Фланец | Нет в продаже |
|
| 21 | М16х50 | Болт | Нет в продаже |
|
| 22 | РСМ-10.14.00.510 | Шкив для комбайна с измельчителем или РСМ-10.14.00.530 | Нет в продаже |
|
| 22 | РСМ-10.14.00.530 | Шкив для комбайна с измельчителем или РСМ-10.14.00.510 | Нет в продаже |
|
| 23 | 10Т.65Г.019 | Шайба | Нет в продаже |
|
| 24 | М10-6Н.6.019 | Гайка | Нет в продаже |
|
| 25 | РСМ-10.14.00.459 | Шайба стопорная | Нет в продаже |
|
| 26 | РСМ-10.14.00.001Б | Шкив для комбайна с измельчителем (привода заднего контрпривода) | Нет в продаже |
|
| 27 | РСМ-10.14.00.520 | Шкив для комбайна с измельчителем или РСМ-10.14.00.109 | Нет в продаже |
|
| 27 | РСМ-10.14.00.109 | Шкив для комбайна с измельчителем или РСМ-10.14.00.520 | Нет в продаже |
|
| 28 | РСМ-10.14.00.612А | Болт | Нет в продаже |
|
| 29 | М10-6gх45.88.35.019 | Болт | Нет в продаже |
|
1
2
2
2
3
4
5
5
5
6
7
8
9
10
10
11
12
12
13
14
15
16
17
18
19
20
21
22
22
23
24
25
26
27
27
28
29
Содержащиеся в справочниках-каталогах запасные части и детали носят исключительно информационный характер