Оригинальные каталоги
| № | Номер | Наименование | Цена | |
|---|---|---|---|---|
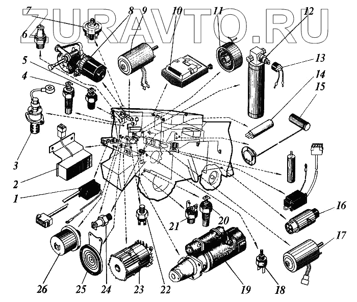
| 1 | БД-1 | Блок диодов | Нет в продаже |
|
| 2 | РСМ-10.10.20.010 | Панель управления реверсом | Нет в продаже |
|
| 3 | ЭФП 8101500 | Электрофакельный подогреватель (для СМД-31А) | Нет в продаже |
|
| 4 | ТМ-100В | Датчик указателя температуры | Нет в продаже |
|
| 5 | ТМ111-01 | Датчик сигнализатор температуры | Нет в продаже |
|
| 6 | ММ 106Б | Датчик сигнализатор аварийного давления масла (для СМД-31А Д-461/51) | Нет в продаже |
|
| 6 | 2602.3829010 | Датчик сигнализатор аварийного давления масла (для ЯМЗ-238АК) | Нет в продаже |
|
| 7 | 132.3839 | Датчик сигнализатора воздушного фильтра (для ЯМЗ-238АК Д-461/51) | Нет в продаже |
|
| 8 | СЛ230М-10 | Стеклоочиститель электрический | Нет в продаже |
|
| 9 | МЭ226-В | Электродвигатель | Нет в продаже |
|
| 10 | 11.3714010 | Плафон или 0026.1237.14010 | Нет в продаже |
|
| 10 | 0026.1237.14010 | Плафон или 11.3714010 | Нет в продаже |
|
| 11 | Муфта компрессора | Муфта компрессора | Нет в продаже |
|
| 12 | Ресивер кондиционера | Ресивер кондиционера | Нет в продаже |
|
| 13 | Розетка | Розетка | Нет в продаже |
|
| 14 | Д013-1 | Датчик оборотов | Нет в продаже |
|
| 15 | 56.3827010 | Датчик указателя уровня топлива или БМ-144Д | Нет в продаже |
|
| 15 | БМ-144Д | Датчик указателя уровня топлива или 56.3827010 | Нет в продаже |
|
| 16 | ПС300А-150 | Вилка | Нет в продаже |
|
| 17 | МЭ237 | Электродвигатель отопителя | Нет в продаже |
|
| 18 | ВК415 | Выключатель | Нет в продаже |
|
| 19 | 56.3708 | Стартер (для Д-461/51) | Нет в продаже |
|
| 19 | 3212.3708 | Стартер | Нет в продаже |
|
| 19 | 25.3708-01 | Стартер | Нет в продаже |
|
| 20 | ТМ-100В | Датчик указателя температуры | Нет в продаже |
|
| 21 | 15.3710 | Включатель | Нет в продаже |
|
| 22 | ВК12Б | Выключатель | Нет в продаже |
|
| 23 | 968.3701 | Генератор | Нет в продаже |
|
| 23 | 967.3701 | Генератор (для СМД-31А) | Нет в продаже |
|
| 23 | 967.3701-02 | Генератор | Нет в продаже |
|
| 24 | ТМ111-12 | Датчик-сигнализатор температуры | Нет в продаже |
|
| 25 | С313 | Сигнал звуковой | Нет в продаже |
|
| 26 | ММ355 | Датчик указателя давления масла | Нет в продаже |
|
1
2
3
4
5
6
6
7
8
9
10
10
11
12
13
14
15
15
16
17
18
19
19
19
20
21
22
23
23
23
24
25
26
Содержащиеся в справочниках-каталогах запасные части и детали носят исключительно информационный характер