Оригинальные каталоги
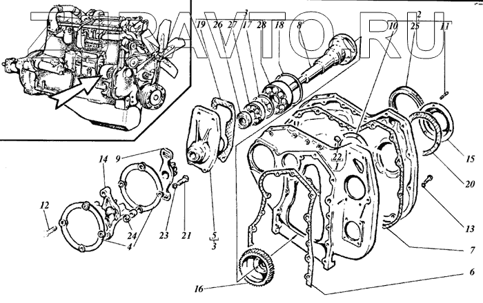
| № | Номер | Наименование | Цена | |
|---|---|---|---|---|
| 1 | 41-02с2-3 | Картер шестерен | Нет в продаже |
|
| 2 | 41-02с3 | Крышка картера шестерен | Нет в продаже |
|
| 3 | 03А-02с4В | Привод топливного насоса | Нет в продаже |
|
| 4 | 03А-02с10 | Пластины | Нет в продаже |
|
| 5 | 01-0203 | Корпус привода топливного насоса | Нет в продаже |
|
| 6 | 01-0204 | Прокладка картера | Нет в продаже |
|
| 7 | 6Т3-0205 | Прокладка крышки | Нет в продаже |
|
| 8 | 03А-0206А | Валик привода топливного насоса | Нет в продаже |
|
| 9 | 03А-0207-02 | Фланец | Нет в продаже |
|
| 10 | 6Т2-0208 | Кольцо маслоотражателя | Нет в продаже |
|
| 11 | 41-0209 | Шпилька | Нет в продаже |
|
| 12 | 03А-0210 | Болт | Нет в продаже |
|
| 13 | 6Т2-0219 | Шайба | Нет в продаже |
|
| 14 | 03А-0219В | Крестовина | Нет в продаже |
|
| 15 | 42-0222-01 | Крышка | Нет в продаже |
|
| 16 | 41-0223 | Колесо зубчатое | Нет в продаже |
|
| 17 | 03А-0225 | Кольцо стопорное | Нет в продаже |
|
| 18 | 03А-0227 | Кольцо стопорное | Нет в продаже |
|
| 19 | 41-0230 | Прокладка | Нет в продаже |
|
| 20 | 01-0232 | Прокладка | Нет в продаже |
|
| 21 | 03А-0235 | Болт | Нет в продаже |
|
| 22 | 41-0237 | Пробка коническая | Нет в продаже |
|
| 23 | 01М-0253 | Шайба | Нет в продаже |
|
| 24 | 16-245 | Гайка М10х1 | Нет в продаже |
|
| 25 | 2.2-75х100-1,8752 | Манжета | Нет в продаже |
|
| 26 | 1.2-25х42-1,8752 | Манжета | Нет в продаже |
|
| 27 | 205.8338 | Подшипник | Нет в продаже |
|
| 28 | 209.8338 | Подшипник | Нет в продаже |
|
2
3
3
4
5
6
7
8
9
10
11
12
13
14
15
16
17
18
19
20
21
23
24
25
26
27
28
Содержащиеся в справочниках-каталогах запасные части и детали носят исключительно информационный характер