Оригинальные каталоги
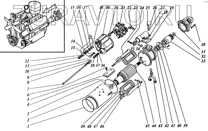
| № | Номер | Наименование | Цена | |
|---|---|---|---|---|
| 1 | СТ103А-3708338 | Кольцо уплотнительное | Нет в продаже |
|
| 2 | СТ25-3708101 | Корпус стартера | Нет в продаже |
|
| 3 | МХ-1087 | Шайба | Нет в продаже |
|
| 4 | СТ103А-3708046 | Кольцо уплотнительное | Нет в продаже |
|
| 5 | СТ103-3708102 | Полюс | Нет в продаже |
|
| 6 | ХI-11-58 | Винт | Нет в продаже |
|
| 7 | СТ103-3708003 | Шпилька | Нет в продаже |
|
| 8 | МХ-0142 | Шайба | Нет в продаже |
|
| 9 | МХ-0954 | Шайба | Нет в продаже |
|
| 10 | СТ103А-3708045 | Шайба | Нет в продаже |
|
| 11 | Х2-9302 | Гайка | Нет в продаже |
|
| 12 | 7Х-4289 | Шайба | Нет в продаже |
|
| 13 | М8х1х20 | Болт | Нет в продаже |
|
| 14 | 4598168046 | Шайба | Нет в продаже |
|
| 15 | СТ103-3708030 | Шина | Нет в продаже |
|
| 16 | МХ-0276 | Шайба | Нет в продаже |
|
| 17 | 25.3708005 | Шайба | Нет в продаже |
|
| 18 | СТ103-3708339 | Кольцо | Нет в продаже |
|
| 19 | 25.3708300 | Крышка коллектора | Нет в продаже |
|
| 20 | СТ103А-3708309 | Втулка | Нет в продаже |
|
| 21 | 25.3708320 | Траверса | Нет в продаже |
|
| 22 | 25.01.3708050 | Щетка стартера | Нет в продаже |
|
| 23 | СТ103-3708150 | Катушка | Нет в продаже |
|
| 24 | 45.9432.1109 | Винт | Нет в продаже |
|
| 25 | МХ-0905 | Винт | Нет в продаже |
|
| 26 | Х-4001 | Шайба | Нет в продаже |
|
| 27 | 8Х-1497 | Шайба | Нет в продаже |
|
| 28 | 25.3708001 | Кожух привода | Нет в продаже |
|
| 29 | 25.3708002 | Прокладка | Нет в продаже |
|
| 30 | 25.3708404 | Винт | Нет в продаже |
|
| 31 | 25.3708410 | Крышка привода | Нет в продаже |
|
| 32 | 25.3708403 | Шайба упорная | Нет в продаже |
|
| 33 | 25.3708600 | Привод | Нет в продаже |
|
| 34 | 16.3708406 | Кольцо | Нет в продаже |
|
| 35 | СТ142-3708070 | Ось | Нет в продаже |
|
| 36 | 25.3708005 | Шайба | Нет в продаже |
|
| 37 | МХ-0276 | Шайба | Нет в продаже |
|
| 38 | 8Х-1533 | Гайка | Нет в продаже |
|
| 39 | 25.3708501 | Шайба привода | Нет в продаже |
|
| 40 | 25.3708503 | Шайба | Нет в продаже |
|
| 41 | М672615030 | Сальник | Нет в продаже |
|
| 42 | 25.3708510 | Корпус привода | Нет в продаже |
|
| 43 | 25.3708450 | Рычаг | Нет в продаже |
|
| 44 | 25.3708200-001 | Якорь | Нет в продаже |
|
| 45 | МХ-1032 | Шайба | Нет в продаже |
|
| 46 | 25.3708150-001 | Катушка | Нет в продаже |
|
| 47 | 25.3708004 | Пластина | Нет в продаже |
|
| 48 | Х-1482 | Шайба | Нет в продаже |
|
| 49 | МХ-1104 | Болт | Нет в продаже |
|
1
2
3
4
5
6
7
8
9
10
11
12
13
14
15
16
17
18
19
20
21
22
23
24
25
26
27
28
29
30
31
32
33
34
35
36
37
38
39
40
41
42
43
44
45
46
47
48
49
Содержащиеся в справочниках-каталогах запасные части и детали носят исключительно информационный характер