Оригинальные каталоги
| № | Номер | Наименование | Цена | |
|---|---|---|---|---|
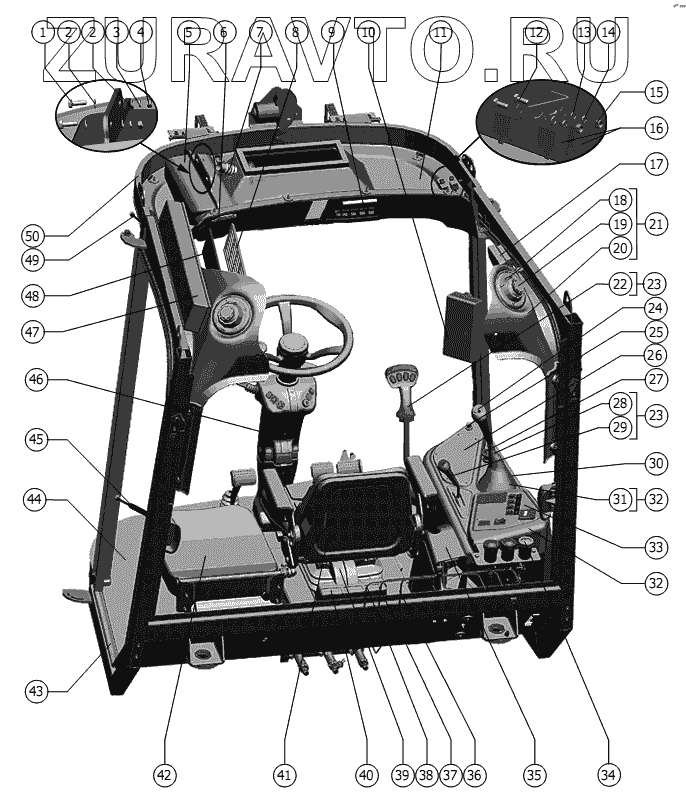
| 101.04.00.120 | 101.04.00.120 | Панель | Нет в продаже |
|
| 1 | М8-6gx25.88.35.019 ГОСТ 7798-70 | Болт | Нет в продаже |
|
| 2 | С.8х1,4.01.019 ГОСТ 11371-78 | Шайба | Нет в продаже |
|
| 3 | 8Т 65Г 019 ГОСТ 6402-70 | Шайба | Нет в продаже |
|
| 4 | М8-6H.6.019 ГОСТ 5915-70 | Гайка М8-6H.6.019 ГОСТ 5915-70 | Нет в продаже |
|
| 5 | 101.04.00.290 | Корпус охладителя | Нет в продаже |
|
| 6 | 101.04.00.280 | Крышка охладителя | Нет в продаже |
|
| 7 | 101.04.00.006 | Труба | Нет в продаже |
|
| 8 | РСМ-10.04.20.054 | Решетка | Нет в продаже |
|
| 9 | 101.06.00.190 | Панель | Нет в продаже |
|
| 10 | ПИ-142 ЮГИШ.426471.002 | Панель информационная ПИ-142 ЮГИШ.426471.002 | Нет в продаже |
|
| 11 | 101.04.01.080 | Потолок | Нет в продаже |
|
| 12 | М6-6gx16.48.019 ГОСТ 7798-70 | Болт | Нет в продаже |
|
| 13 | С.6х1,4.01.019 ГОСТ 11371-78 | Шайба | Нет в продаже |
|
| 14 | 6Т 65Г 019 ГОСТ 6402-70 | Шайба | Нет в продаже |
|
| 15 | М6-6H.6.019 ГОСТ 5915-70 | Гайка | Нет в продаже |
|
| 16 | 753.3777 ТУ 37.469.093-2006 | Реле | Нет в продаже |
|
| 17 | 0026.12.3714 Код ОКП 45 7372 330 ТУ 37.458.064-90 | Плафон | Нет в продаже |
|
| 18 | В.М4-6gх16.48.036 ГОСТ 17473-80 | Винт | Нет в продаже |
|
| 19 | U90AS10 ФКШБ.467292.020 ГЧ | Система акустическая | Нет в продаже |
|
| 20 | 04.01.091 | Потолок | Нет в продаже |
|
| 21 | 101.04.01.100 | Потолок | Нет в продаже |
|
| 22 | 101.04.17.000 | Рычаг управления движением | Нет в продаже |
|
| 23 | 101.04.01.200-01 | Пульт управления | Нет в продаже |
|
| 23 | 101.04.01.200 | Пульт управления | Нет в продаже |
|
| 24 | 101.26.12.050 | Рукоятка | Нет в продаже |
|
| 25 | ПТ10-01 (2106-3725010 - обозначение изделия по ВАЗу) | Прикуриватель ТУ37.003.1108-82 Код ОКП 45 7373 1017 | Нет в продаже |
|
| 26 | ПУ-101-03 ЮГИШ.426471.020 | Пульт управления комбайна | Нет в продаже |
|
| 27 | КУ113201 ТУ 16-93 БКЖИ.642245.001 ТУ | Выключатель | Нет в продаже |
|
| 28 | 101.04.12.010 | Рычаг | Нет в продаже |
|
| 29 | 101.04.11.000 | Рычаг | Нет в продаже |
|
| 30 | PL 0027 ТУ 000279234.082-2007 | Пружина газовая | Нет в продаже |
|
| 31 | 101.04.00.030 | Чехол | Нет в продаже |
|
| 32 | 101.04.00.400 | Накладка | Нет в продаже |
|
| 33 | 101.04.00.180-02 | Панель | Нет в продаже |
|
| 33 | 101.04.00.180-01 | Панель | Нет в продаже |
|
| 33 | 101.04.00.180 | Панель | Нет в продаже |
|
| 34 | РСМ-10.04.34.140А | Блок бачков | Нет в продаже |
|
| 34 | РСМ-10.04.34.140А-01 | Блок бачков | Нет в продаже |
|
| 35 | 101.04.01.030 | Чехол | Нет в продаже |
|
| 36 | 101.06.14.100 | Трубка | Нет в продаже |
|
| 37 | 101.06.14.080 | Трубка | Нет в продаже |
|
| 38 | 101.06.14.070 | Трубка | Нет в продаже |
|
| 39 | 101.04.00.270 | Отопитель | Нет в продаже |
|
| 40 | РСМ-10.04.21.120 | Аптечка | Нет в продаже |
|
| 41 | F2001A/ SM 80XSW ТУ4760-021-32268974-2003 | Сиденье оператора | Нет в продаже |
|
| 42 | 101.06.01.320 | Сиденье | Нет в продаже |
|
| 43 | 101.06.01.071 | Профиль | Нет в продаже |
|
| 44 | 101.26.01.039 | Коврик | Нет в продаже |
|
| 44 | 101.26.01.039-01 | Коврик | Нет в продаже |
|
| 45 | PL 0017 ТУ 000279234.082-2007 | Пружина газовая | Нет в продаже |
|
| 46 | 101.26.13.000 | Колонка рулевая | Нет в продаже |
|
| 46 | 101.26.13.000-02 | Колонка рулевая | Нет в продаже |
|
| 47 | Т40М1-8102360 ТУ 4761.046.00232058-2000 | Фильтр | Нет в продаже |
|
| 48 | РСМ-10.04.20.057 | Фильтр | Нет в продаже |
|
| 49 | АВ-16 ФКШБ.464328.050 ГЧ | Антенна автомобильная активная Буран | Нет в продаже |
|
| 50 | 101.04.02.000 | Каркас | Нет в продаже |
|
1
2
2
3
4
5
6
7
8
9
10
11
12
13
14
15
16
17
18
19
20
21
22
23
23
23
24
25
26
27
28
29
30
31
32
32
33
33
33
34
34
35
36
37
38
39
40
41
42
43
44
44
45
46
46
47
48
49
50
Содержащиеся в справочниках-каталогах запасные части и детали носят исключительно информационный характер