Оригинальные каталоги
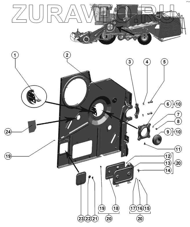
| № | Номер | Наименование | Цена | |
|---|---|---|---|---|
| 1 | Пр П-1М 17МО.082.021ТУ | Преобразователь первичный Пр П-1М 17МО.082.021ТУ | Нет в продаже |
|
| 2 | РСМ-10Б.01.17.000А | Панель | Нет в продаже |
|
| 3 | РСМ-10.01.15.202 | Обойма | Нет в продаже |
|
| 4 | 20Т 65Г 019 ГОСТ 6402-70 | Шайба | Нет в продаже |
|
| 5 | М20-6gх60.109.40Х.019 ГОСТ 7798-70 | Болт | Нет в продаже |
|
| 6 | Н.027.116 | Корпус подшипника | Нет в продаже |
|
| 7 | 16Т 65Г 019 ГОСТ 6402-70 | Шайба | Нет в продаже |
|
| 8 | М16-6Н.6.019 ГОСТ 5915-70 | Гайка | Нет в продаже |
|
| 9 | 680314НК7С27 ТУ 37.006.084-90 | Подшипник | Нет в продаже |
|
| 10 | Н.027.01.160 | Подшипник в сборе или опора или РСМ-10.01.15.330 | Нет в продаже |
|
| 11 | 2.2.45Ц6хр ГОСТ 19853-74 | Маслёнка | Нет в продаже |
|
| 12 | 44-00241 | Втулка | Нет в продаже |
|
| 13 | РСМ-10.01.15.260 | Крышка | Нет в продаже |
|
| 14 | 44-1-2-16-2 | Винт | Нет в продаже |
|
| 15 | М8-6Н.6.019 ГОСТ 5915-70 | Гайка | Нет в продаже |
|
| 16 | 8Т 65Г 019 ГОСТ 6402-70 | Шайба | Нет в продаже |
|
| 17 | С.8х1,4.01.019 ГОСТ 11371-78 | Шайба | Нет в продаже |
|
| 18 | РСМ-10.01.15.439А | Накладка | Нет в продаже |
|
| 19 | М8х20 ТУ23.4617472.06-91 | Болт | Нет в продаже |
|
| 20 | РСМ-10.01.15.250 | Крышка | Нет в продаже |
|
| 21 | 54-2-157-01 | Гайка | Нет в продаже |
|
| 22 | РСМ-10.01.15.436 | Шайба эксцентрическая | Нет в продаже |
|
| 23 | РСМ-10.01.15.120 | Крышка | Нет в продаже |
|
| 24 | РСМ-10.01.15.427 | Заслонка | Нет в продаже |
|
1
2
3
4
5
6
7
8
9
10
10
11
12
13
14
15
16
17
18
19
19
20
20
20
21
22
23
24
Содержащиеся в справочниках-каталогах запасные части и детали носят исключительно информационный характер