Оригинальные каталоги
| № | Номер | Наименование | Цена | |
|---|---|---|---|---|
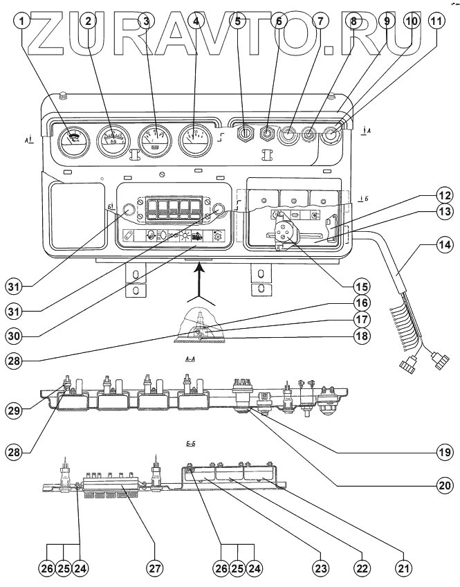
| 1 | УК170М-У-ХЛ ТУ 37.003.703-79 | Приёмник указателя давления | Нет в продаже |
|
| 2 | 11.3812 ТУ 37.003.888-78 | Указатель напряжения | Нет в продаже |
|
| 3 | 36.3807010 ОСТ 37.003.076-86 | Приёмник указателя температуры | Нет в продаже |
|
| 4 | 34.3806010 ОСТ 37.003.002-85 | Приёмник указателя уровня топлива | Нет в продаже |
|
| 5 | ВК354 О | Выключатель | Нет в продаже |
|
| 6 | 11.3704-01 ТУ 37.003.710-80 | Выключатель кнопочный | Нет в продаже |
|
| 7 | 124.3803010 ТУ 37.003.293-72 | Фонарь контрольной лампы | Нет в продаже |
|
| 8 | ВК 322 ТУ 37.003.402-73 | Включатель | Нет в продаже |
|
| 9 | РСМ-10.04.19.001В | Маска | Нет в продаже |
|
| 10 | РСМ-10Б.04.19.030 | Фальшпанель | Нет в продаже |
|
| 11 | ПД 50В ТУ 37.003.576-79 | Элемент контрольный | Нет в продаже |
|
| 12 | СВН2-02 ТУ 25-1865.081-87 | Счётчик времени наработки | Нет в продаже |
|
| 13 | РСМ-10Б.04.39.060 | Фальшпанель | Нет в продаже |
|
| 14 | РСМ-10Б.10.21.030Г | Жгут щитка приборов | Нет в продаже |
|
| 15 | 54В-7-4-6 | Розетка | Нет в продаже |
|
| 16 | ПП158-3713000 О ТУ 37.003.448-76 | Патрон | Нет в продаже |
|
| 17 | РСМ-10Б.04.19.250 | Кронштейн | Нет в продаже |
|
| 18 | В.М4-6gх10.48.016 ГОСТ 17473-80 | Винт | Нет в продаже |
|
| 19 | C 24х2.01.019 ГОСТ 10450-78 | Шайба | Нет в продаже |
|
| 20 | РСМ-10.10.40.604 | Гайка | Нет в продаже |
|
| 21 | ПР11-Л ТУ 37.003.265-82. | Блок предохранителей | Нет в продаже |
|
| 22 | ПР11-С ТУ 37.003.265-82. | Блок предохранителей | Нет в продаже |
|
| 23 | РСМ-10.10.40.070 | Блок предохранителей | Нет в продаже |
|
| 24 | В.М5-6gх10.48.019 ГОСТ 17473-80 | Винт | Нет в продаже |
|
| 25 | C 24х2.01.019 ГОСТ 10450-78 | Шайба | Нет в продаже |
|
| 26 | М5-6H.6.019 ГОСТ 5927-70 | Гайка | Нет в продаже |
|
| 27 | 53.3710-01.17 ТУ 37.003.1201-83. Код ОКП | Блок | Нет в продаже |
|
| 28 | А 24-2 ГОСТ 2023.1-88 | Лампа | Нет в продаже |
|
| 29 | ЛВ 211-3714329 ТУ 37.458.063-90 | Патрон со штекером | Нет в продаже |
|
| 30 | РСМ-10Б.04.39.020 | Фальшпанель | Нет в продаже |
|
| 31 | 123.3803010 ТУ 37.003.293-72 | Фонарь контрольной лампы | Нет в продаже |
|
1
2
3
4
5
6
7
8
9
10
11
12
13
14
15
16
17
18
19
20
21
22
23
24
24
25
25
26
26
27
28
28
29
30
31
31
Содержащиеся в справочниках-каталогах запасные части и детали носят исключительно информационный характер