Оригинальные каталоги
| № | Номер | Наименование | Цена | |
|---|---|---|---|---|
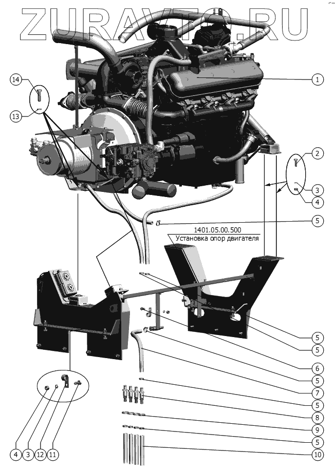
| 1401.05.00.500 | 1401.05.00.500 | Установка опор двигателя | Нет в продаже |
|
| 1 | 1401.05.00.010 | Установка моторная | Нет в продаже |
|
| 2 | М12-6gx35.88.35.019 ГОСТ 7798-70 | Болт | Нет в продаже |
|
| 3 | 12Т 65Г 019 ГОСТ 6402-70 | Шайба | Нет в продаже |
|
| 4 | М12-6H.6.019 ГОСТ 5915-70 | Гайка | Нет в продаже |
|
| 5 | TORRO S20-32/9-C7W1 | Хомут | Нет в продаже |
|
| 6 | М12-6gx25.88.35.019 ГОСТ 7798-70 | Болт | Нет в продаже |
|
| 7 | 1401.05.00.022 | Шланг | Нет в продаже |
|
| 8 | 101.09.01.810 | Клапан | Нет в продаже |
|
| 9 | М27х1,5-6H.05.019 ГОСТ 11871-88 | Гайка | Нет в продаже |
|
| 10 | 101.05.00.048 | Шланг | Нет в продаже |
|
| 11 | М12-6gx30.88.35.019 ГОСТ 7798-70 | Болт | Нет в продаже |
|
| 12 | 1401.05.00.504 | Хомут | Нет в продаже |
|
| 13 | 16Т 65Г 019 ГОСТ 6402-70 | Шайба | Нет в продаже |
|
| 14 | М16-6gx55.88.35.019 ГОСТ 7798-70 | Болт | Нет в продаже |
|
1401.05.00.500
1
2
3
3
4
4
5
5
5
5
5
5
6
7
8
9
10
11
12
13
14
Содержащиеся в справочниках-каталогах запасные части и детали носят исключительно информационный характер