Оригинальные каталоги
| № | Номер | Наименование | Цена | |
|---|---|---|---|---|
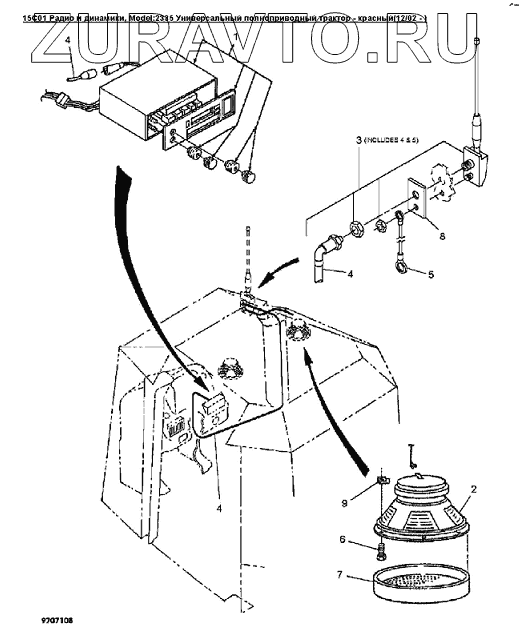
| 9846290DS | 9846290DS | Комплект деталей радио | Нет в продаже |
|
| 86023028 | 86023028 | Жгут магнитолы, L4WD & Genesis | Нет в продаже |
|
| 1 | 86023024 | Магнитола кассетная, AM/FM L4WD + Genesis | Нет в продаже |
|
| 1 | 86023026 | Магнитола DELUXE CD, AM/FM L4WD + Genesis | Нет в продаже |
|
| 1 | 86023025 | Магнитола DELUXE кассетная, AM/FM L4WD + Genesis | Нет в продаже |
|
| 2 | 86505909 | Динамик 6dm круглый | Нет в продаже |
|
| 3 | 86015802 | Набор проводов антенны и креплений | Нет в продаже |
|
| 4 | 86015977 | Антенна радио Lth-128.7in x 90deg | Нет в продаже |
|
| 5 | 86015978 | Массовый провод | Нет в продаже |
|
| 6 | 86511331 | Самонарезающий винт #8 18X3/4 с плоскоконической | Нет в продаже |
|
| 7 | 86000998 | Решетка динамика | Нет в продаже |
|
| 8 | 86015979 | Опорная плита антенны | Нет в продаже |
|
| 9 | V62473 | Гайка специальная | Нет в продаже |
|
1
1
1
2
3
4
4
5
6
7
8
9
Содержащиеся в справочниках-каталогах запасные части и детали носят исключительно информационный характер