Оригинальные каталоги
| № | Номер | Наименование | Цена | |
|---|---|---|---|---|
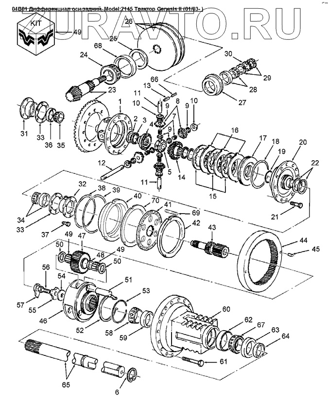
| 1 | 86509164 | Корпус дифференциала | Нет в продаже |
|
| 2 | 9823333 | Шайба диам.внутр.75.06 наруж.99.388 толщина 0.76мм Hdn, сталь | Нет в продаже |
|
| 3 | 9823332 | Подшипник игольчатый диам.внутр.2.96dm наруж.3.93 толщина 0.1575 | Нет в продаже |
|
| 4 | 9821226 | Шестерня полуоси | Нет в продаже |
|
| 5 | 9823515 | Направляющая оси | Нет в продаже |
|
| 6 | 9628019 | Стопорное кольцо диам.3.63 | Нет в продаже |
|
| 6 | 388510S2 | Стопорное кольцо диам.3.63 | Нет в продаже |
|
| 7 | 9845301 | Игла подшипника 0.1560DIAX1.41LG | Нет в продаже |
|
| 8 | 9823518 | Сателлит | Нет в продаже |
|
| 9 | 9845300 | Кольцо диам.внутр.32.64мм толщина 3.04мм | Нет в продаже |
|
| 10 | 9823514 | Кольцо упорное дифференциала | Нет в продаже |
|
| 11 | 9823516 | Ось | Нет в продаже |
|
| 12 | 9823517 | Ось | Нет в продаже |
|
| 13 | 412202 | Штифт диам.8мм длина 65мм | Нет в продаже |
|
| 14 | 9821227 | Шестерня полуоси | Нет в продаже |
|
| 15 | 9821251 | Диск блокиратора дифференциала | Нет в продаже |
|
| 16 | 9823345 | Диск дифференциала, GENESIS | Нет в продаже |
|
| 17 | 9823347 | Поршень | Нет в продаже |
|
| 18 | 9823349 | Уплотнительное кольцо, внут.диам.9.484dm толщина 0.139dm | Нет в продаже |
|
| 19 | 9823348 | Кольцо уплотнительное вн. O 3.859 X толщина 0.139 | Нет в продаже |
|
| 20 | 9821228 | Крышка дифференциала | Нет в продаже |
|
| 21 | 9823354 | Болт 0.62х1.88 | Нет в продаже |
|
| 22 | 9823357 | Уплотнительное кольцо, диам.4.875dm толщина0.093dm | Нет в продаже |
|
| 23 | 9849178 | Коническая зубчатая передача | Нет в продаже |
|
| 24 | 9823318 | Обойма внутренняя конического подшипника, диам.внут.76.20 толщина 55.10мм | Нет в продаже |
|
| 25 | 9823326 | Шайба | Нет в продаже |
|
| 25 | 9823325 | Шайба | Нет в продаже |
|
| 25 | 9823324 | Шайба | Нет в продаже |
|
| 25 | 9823323 | Шайба | Нет в продаже |
|
| 25 | 9823322 | Кольцо диам.наруж. 6.31 внутр.5.50 толщина 0.95 | Нет в продаже |
|
| 26 | 86505509 | Диск стояночного тормоза, диам.наруж.262.0 мм толщина 6.0мм | Нет в продаже |
|
| 27 | 9823547 | Стакан | Нет в продаже |
|
| 28 | 9840427 | Подшипник диам.внутр.2.62dm наруж.4.81 толщина 1.50dm | Нет в продаже |
|
| 29 | 689164 | Контргайка специальная | Нет в продаже |
|
| 30 | 689163 | Шайба | Нет в продаже |
|
| 31 | 9821903 | Упор левый полуоси заднего дифференциала | Нет в продаже |
|
| 32 | 9821904 | Упор правый полуоси заднего дифференциала | Нет в продаже |
|
| 33 | 9823365 | Шайба дифференциала заднего моста 0.10 | Нет в продаже |
|
| 33 | 9823366 | Шайба дифференциала заднего моста 0.20 | Нет в продаже |
|
| 33 | 9823367 | Шайба дифференциала заднего моста 0.30 | Нет в продаже |
|
| 33 | 9823368 | Шайба дифференциала заднего моста 0.50 | Нет в продаже |
|
| 34 | 9825186 | Подшипник диам.внутр.74.98 наруж.119.98 толщина 31мм | Нет в продаже |
|
| 35 | 274841 | Обойма внутренняя роликового подшипника, диам.внутр.2.95 толщина 0.98dm | Нет в продаже |
|
| 36 | 274840 | Обойма подшипника наружная диам.наруж.4.52 толщина 0.75dm | Нет в продаже |
|
| 37 | 46101S2 | Болт 1/2dmх1-1/4dm | Нет в продаже |
|
| 38 | 9823416 | Уплотнение поршня подвижного тормоза | Нет в продаже |
|
| 39 | 9823415 | Уплотнение внут. O13,41 х внеш. O14,27 х 3,30W | Нет в продаже |
|
| 40 | 9823417 | Поршень тормозной задний | Нет в продаже |
|
| 41 | 86014787 | Диск тормоза фрикционный | Нет в продаже |
|
| 42 | 86014438 | Диск заднего тормоза в сборе | Нет в продаже |
|
| 43 | 9849183 | Вал | Нет в продаже |
|
| 44 | 9823423 | Шестерня эпициклическая | Нет в продаже |
|
| 45 | 382082S | Штифт 5/8dm x 1-1/4dm | Нет в продаже |
|
| 46 | 9825980 | Водило | Нет в продаже |
|
| 47 | 9823430 | Сателлит | Нет в продаже |
|
| 48 | 9823432 | Кольцо диам.наруж. 75.95 внутр.60.55 толщина 1.07 | Нет в продаже |
|
| 49 | 81825642 | Игольчатый подшипник | Нет в продаже |
|
| 49 | 9823431 | Игла подшипника 0.3125DIAX1.00LG | Нет в продаже |
|
| 50 | 9823433 | Шайба диам.внут.60.579, наруж.88.9, толщина 0.762 | Нет в продаже |
|
| 51 | 9849288 | Ось планетарной шестерни дифференциала | Нет в продаже |
|
| 52 | 86017458 | Стопорное кольцо диам.146.86 | Нет в продаже |
|
| 53 | 9823436 | Стопорная проволока диам.2.95мм длина 585мм | Нет в продаже |
|
| 54 | 9842041 | Прокладка внеш. O 2.90 X внутр. O 1.01 X 10.02LG | Нет в продаже |
|
| 54 | 9842040 | Прокладка внеш. O 2.90 X внутр. O 1.01 X 0.04LG | Нет в продаже |
|
| 54 | 9842039 | Прокладка внеш. O 2.90 X внутр. O 1.01 X 0.01LG | Нет в продаже |
|
| 54 | 9823438 | Кольцо диам.наруж.2.90 внутр.1.03 толщина 0.01 | Нет в продаже |
|
| 54 | 9823437 | Кольцо диам.наруж. 2.90dm внутр.1.03dm толщина 0.006dm | Нет в продаже |
|
| 55 | 9849236 | Шайба контровочная диам.наруж.104.65мм, сталь | Нет в продаже |
|
| 56 | 9823443 | Болт 1.00dmx2.00GR5 PL | Нет в продаже |
|
| 57 | 9849184 | Стопорный винт Genesis | Нет в продаже |
|
| 58 | 9823420 | Подшипник конический 85.00IDX29.00THK | Нет в продаже |
|
| 59 | 9823418 | Кольцо подшипника наружное 130.00ODX24.00THK | Нет в продаже |
|
| 60 | 82990703 | Корпус полуоси | Нет в продаже |
|
| 60 | 9825978 | Корпус полуоси Genesis | Нет в продаже |
|
| 61 | 120093 | Болт M16х80 8.8pl | Нет в продаже |
|
| 62 | 572265 | Кольцо подшипника наружное 5.91ODX1.06THK | Нет в продаже |
|
| 63 | 9636082 | Уплотнение масляное внут. O4,75 х внеш. O6,01 х 0, | Нет в продаже |
|
| 64 | 9849289 | Кольцо масляного уплотнения | Нет в продаже |
|
| 65 | 9849185 | Полуось 112dm, Genesis | Нет в продаже |
|
| 65 | 9849194 | Полуось 96dm | Нет в продаже |
|
| 66 | 9823343 | Палец диам.5.00, длина 65.00 | Нет в продаже |
|
| 67 | 572266 | Подшипник конический 3.74IDX1.34THK | Нет в продаже |
|
| 68 | 9823317 | Обойма подшипника наружная, диам.наруж.161.95 толщина 42.86мм | Нет в продаже |
|
| 70 | 86014796 | Диск тормозной задний Od-388.67mm | Нет в продаже |
|
1
2
3
4
5
6
6
6
7
8
9
9
9
10
10
11
11
12
13
14
15
16
17
18
19
20
21
22
23
24
25
25
25
25
25
25
25
25
25
26
27
28
29
30
31
32
33
33
33
33
33
33
33
33
34
35
36
37
38
39
40
41
42
43
44
45
46
47
48
49
49
49
49
49
50
50
51
52
53
54
54
54
54
54
54
54
54
54
55
56
57
58
59
60
60
60
61
62
63
64
65
65
65
66
67
68
68
70
Содержащиеся в справочниках-каталогах запасные части и детали носят исключительно информационный характер