Оригинальные каталоги
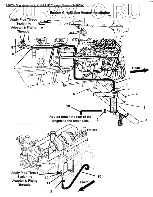
| № | Номер | Наименование | Цена | |
|---|---|---|---|---|
| 1 | 86033368 | Подогреватель 750Вт 120В | Нет в продаже |
|
| 1a | 86033376 | Подогреватель | Нет в продаже |
|
| 4 | 86033369 | Кронштейн подогревателя | Нет в продаже |
|
| 5 | 86017346 | U-образный болт 68 x 89mm,, M8 x 1.25 | Нет в продаже |
|
| 6 | 9804277 | Гайка M8 Cl-8 Pl | Нет в продаже |
|
| 7 | 86368SRV | Трубка 0.625dmх600мм | Нет в продаже |
|
| 8 | 86033328 | Фитинг 45-5/8x1/2npt | Нет в продаже |
|
| 9 | V17194 | Фитинг 3/4-1/2in Nptf | Нет в продаже |
|
| 10 | 84224SRV | Трубка 0.625dmх1225мм | Нет в продаже |
|
| 12 | 86033377 | Адаптер рукава 1/8Mnpt x 1/4Fnpt | Нет в продаже |
|
1
1a
4
5
6
7
8
9
10
10
12
Содержащиеся в справочниках-каталогах запасные части и детали носят исключительно информационный характер