Оригинальные каталоги
| № | Номер | Наименование | Цена | |
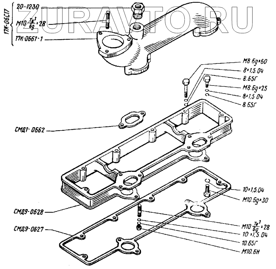
|---|---|---|---|---|
| М8.6gх60 | М8.6gх60 | Болт | Нет в продаже |
|
| 10х1,5.04 | 10х1,5.04 | Шайба | Нет в продаже |
|
| 8х1,5.04 | 8х1,5.04 | Шайба | Нет в продаже |
|
| 10.65Г | 10.65Г | Шайба ГОСТ 6402-70 | Нет в продаже |
|
| 8.65Г | 8.65Г | Шайба ГОСТ 6402-70 | Нет в продаже |
|
| СМД1-0662 | СМД1-0662 | Прокладка впускного коллектора | Нет в продаже |
|
| СМД9-0627 | СМД9-0627 | Прокладка | Нет в продаже |
|
| СМД9-0628 | СМД9-0628 | Корпус колпака головки | Нет в продаже |
|
| 17К-0661-1 | 17К-0661-1 | Коллектор впускной | Нет в продаже |
|
| 17К-06С17 | 17К-06С17 | Коллектор впускной | Нет в продаже |
|
| М10.6Н | М10.6Н | Гайка | Нет в продаже |
|
| 20-1230 | 20-1230 | Втулка | Нет в продаже |
|
| М10.6gх30 | М10.6gх30 | Болт | Нет в продаже |
|
| М8.6gr25 | М8.6gr25 | Болт | Нет в продаже |
|
| М10(Т03/6g)х28 | М10(Т03/6g)х28 | Шпилька | Нет в продаже |
|
М8.6gх60
10х1,5.04
10х1,5.04
8х1,5.04
8х1,5.04
10.65Г
8.65Г
8.65Г
СМД1-0662
СМД9-0627
СМД9-0628
17К-0661-1
17К-06С17
М10.6Н
20-1230
М10.6gх30
М8.6gr25
М10(Т03/6g)х28
М10(Т03/6g)х28
Содержащиеся в справочниках-каталогах запасные части и детали носят исключительно информационный характер