Оригинальные каталоги
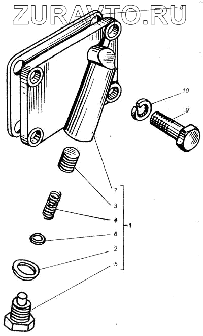
| № | Номер | Наименование | Цена | |
|---|---|---|---|---|
| 1 | 14-10С14 | Клапан сливной | Нет в продаже |
|
| 2 | 14-1036 | Плунжер | Нет в продаже |
|
| 3 | 14-1037-А | Пружина сливного клапана | Нет в продаже |
|
| 4 | 14-1059-01 | Прокладка | Нет в продаже |
|
| 5 | 14-1063-1 | Пробка резьбовая | Нет в продаже |
|
| 6 | 14-1064 | Прокладка | Нет в продаже |
|
| 7 | 14-1074-Б | Корпус сливного клапана | Нет в продаже |
|
| 8 | СМД1-1022 | Прокладка | Нет в продаже |
|
| 9 | М12-6gх30.56.05 | Болт ГОСТ 7796-70 | Нет в продаже |
|
| 10 | 12.65Г.05 | Шайба ГОСТ 6402-70 | Нет в продаже |
|
1
2
3
4
5
6
7
8
9
10
Содержащиеся в справочниках-каталогах запасные части и детали носят исключительно информационный характер