Оригинальные каталоги
| № | Номер | Наименование | Цена | |
|---|---|---|---|---|
| 881144 М1 180002 М1 | 881144 М1 180002 М1 | Винт | Нет в продаже |
|
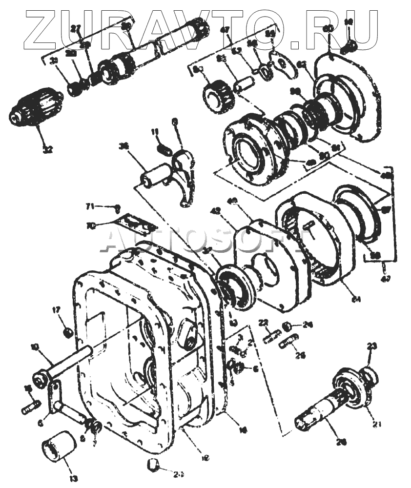
| 1 | 1688701 М91 (А) | Коробка передач | Нет в продаже |
|
| 2 | 222001 | Шарик | Нет в продаже |
|
| 3 | 907130 М1 | Пружина | Нет в продаже |
|
| 4 | 832276 М1 | Кольцо | Нет в продаже |
|
| 5 | 624247 М1 | Кольцо пружинное | Нет в продаже |
|
| 6 | 907120 М91 | Ось | Нет в продаже |
|
| 7 | 966142 М1 | Шайба | Нет в продаже |
|
| 8 | 961966 М1 | Шайба | Нет в продаже |
|
| 9 | 897065 М2 | Вилка | Нет в продаже |
|
| 10 | 1688695 М91 | Направляющая | Нет в продаже |
|
| 11 | 180002 М1 861144 М1 | Винт | Нет в продаже |
|
| 13 | 1868538 М4 (А) | Муфта | Нет в продаже |
|
| 14 | 35427х1 | Болт | Нет в продаже |
|
| 15 | 1660765 М1 | Шпилька | Нет в продаже |
|
| 16 | 3599604 М1 | Прокладка | Нет в продаже |
|
| 17 | 353426х1 | Гайка | Нет в продаже |
|
| 18 | 339605х1 | Кольцо пружинное | Нет в продаже |
|
| 19 | 1868678 М2 | Корпу | Нет в продаже |
|
| 20 | 843154 | Пробка | Нет в продаже |
|
| 21 | 907119 М1 (А) | Корпус | Нет в продаже |
|
| 22 | 377569х1 диам. 7/16*Х1.75" | Шпилька | Нет в продаже |
|
| 23 | 195453 (А) | Подшипник | Нет в продаже |
|
| 24 | 377166х1 | Гайка | Нет в продаже |
|
| 25 | 377570х1 диам.7/16х7/8" | Шпилька | Нет в продаже |
|
| 26 | 1868539 М1 (А) | Вал | Нет в продаже |
|
| 27 | 1866662 М91 | Вал | Нет в продаже |
|
| 28 | 186662 М91 | Вал | Нет в продаже |
|
| 29 | 886352 М1 | Пружина | Нет в продаже |
|
| 30 | 886353 Ш | Упор | Нет в продаже |
|
| 31 | 195513 М1 | Подшипник | Нет в продаже |
|
| 32 | 1688699 М1 | Вал | Нет в продаже |
|
| 37 | 1868677 М1 | Подшипник | Нет в продаже |
|
| 38 | 1688696 М1 | Направляющая | Нет в продаже |
|
| 42 | 1867426 М1 | Прокладка | Нет в продаже |
|
| 43 | 1867425 М1 | Пластина | Нет в продаже |
|
| 46 | 180409 М1 | Штифт | Нет в продаже |
|
| 47 | 1870638 М2 | Водило | Нет в продаже |
|
| 48 | 1866558 М2 | Водило | Нет в продаже |
|
| 49 | 1866558 М2 | Водило | Нет в продаже |
|
| 50 | 1866544 М1 | Прокладка | Нет в продаже |
|
| 51 | 1866539 М1 | Кольцо | Нет в продаже |
|
| 52 | 1866536 М2 | Вал | Нет в продаже |
|
| 53 | 1866553 М2 | Ролик | Нет в продаже |
|
| 54 | 1866552 М1 | Шестерня | Нет в продаже |
|
| 55 | 1866542 М1 | Упорная шайба | Нет в продаже |
|
| 56 | 1866543 М1 | Шайба | Нет в продаже |
|
| 57 | 1866545 М2 | Шайба | Нет в продаже |
|
| 58 | 377424х1 | Кольцо | Нет в продаже |
|
| 59 | 1866557 М1 | Втулка | Нет в продаже |
|
| 60 | 1867423 М1 | Пластина | Нет в продаже |
|
| 61 | 1867424 М2 | Шестерня | Нет в продаже |
|
| 62 | 1866545 М2 | Шайба | Нет в продаже |
|
| 70 | 908648 М1 | Пластина | Нет в продаже |
|
| 71 | 353947х1 | Винт | Нет в продаже |
|
2
3
4
5
6
7
8
9
10
11
13
14
15
17
19
20
21
22
23
24
25
26
27
28
29
30
31
32
37
38
42
43
47
47
50
51
60
62
70
71
Содержащиеся в справочниках-каталогах запасные части и детали носят исключительно информационный характер