Назад

Оригинальные каталоги

zoom-in zoom-out enlarge shrink circle-right circle-left file-text2 info cart
Номер Наименование Цена
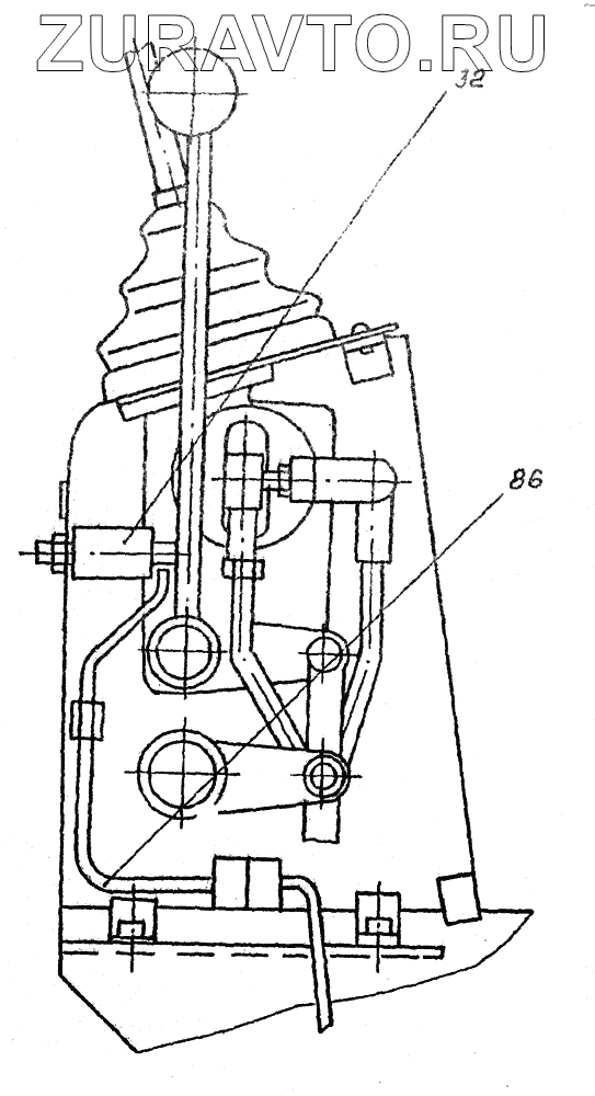
32 ВК322 ТУ 37.003.402-73 Выключатель Нет в продаже
86 72.0190.210 Жгут Нет в продаже
32
86
100%
Содержащиеся в справочниках-каталогах запасные части и детали носят исключительно информационный характер