Оригинальные каталоги
| № | Номер | Наименование | Цена | |
|---|---|---|---|---|
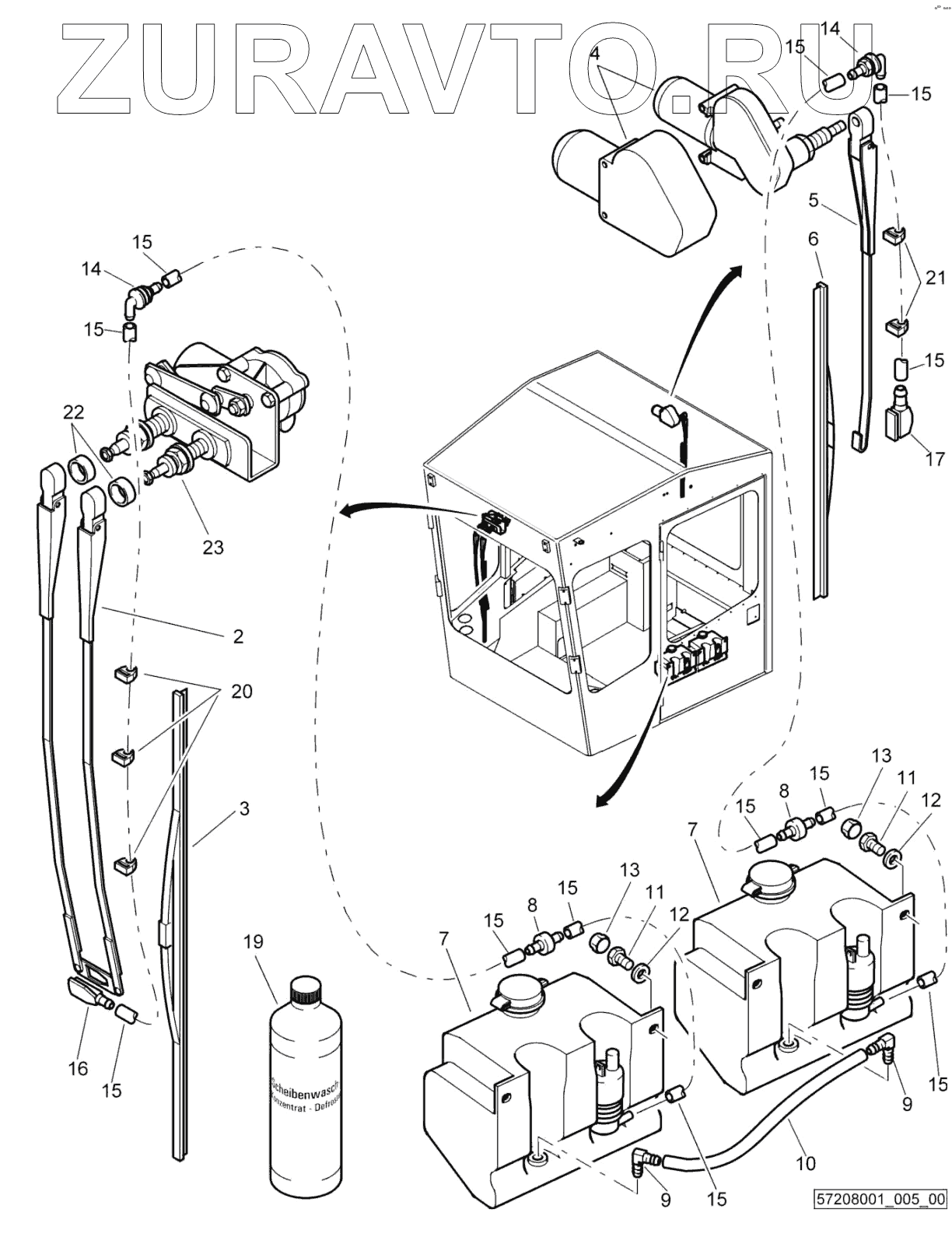
| 2 | 05726648 | Arm,wiper | Нет в продаже |
|
| 3 | 05571509 | Blade,wiper | Нет в продаже |
|
| 4 | 05571519 | Motor,wiper | Нет в продаже |
|
| 5 | 05571518 | Arm,wiper | Нет в продаже |
|
| 6 | 05571474 | Blade,wiper | Нет в продаже |
|
| 7 | 05726672 | Container with 1 pump | Нет в продаже |
|
| 8 | 05726675 | check valve | Нет в продаже |
|
| 9 | 05553457 | Angular union | Нет в продаже |
|
| 10 | 00661090 | Hose | Нет в продаже |
|
| 11 | 07140824 | Hexagon bolt | Нет в продаже |
|
| 12 | 08510817 | Washer | Нет в продаже |
|
| 13 | 06510175 | Protection cap | Нет в продаже |
|
| 14 | 32110159 | Coupling | Нет в продаже |
|
| 15 | 00661088 | Hose | Нет в продаже |
|
| 16 | 32121453 | Spray nozzle | Нет в продаже |
|
| 17 | 32121279 | Nozzle element | Нет в продаже |
|
| 19 | 00994011 | Anti-freeze agent | Нет в продаже |
|
| 20 | 32110160 | Terminal | Нет в продаже |
|
| 21 | 32110158 | Terminal | Нет в продаже |
|
| 22 | 58290321 | Spacer piece | Нет в продаже |
|
| 23 | 05571547 | Motor,wiper | Нет в продаже |
|
2
3
4
5
6
7
7
8
8
9
9
10
11
11
12
12
13
13
14
14
15
15
15
15
15
15
15
15
15
15
15
15
16
17
19
20
21
22
23
Содержащиеся в справочниках-каталогах запасные части и детали носят исключительно информационный характер