Назад

Оригинальные каталоги

zoom-in zoom-out enlarge shrink circle-right circle-left file-text2 info cart
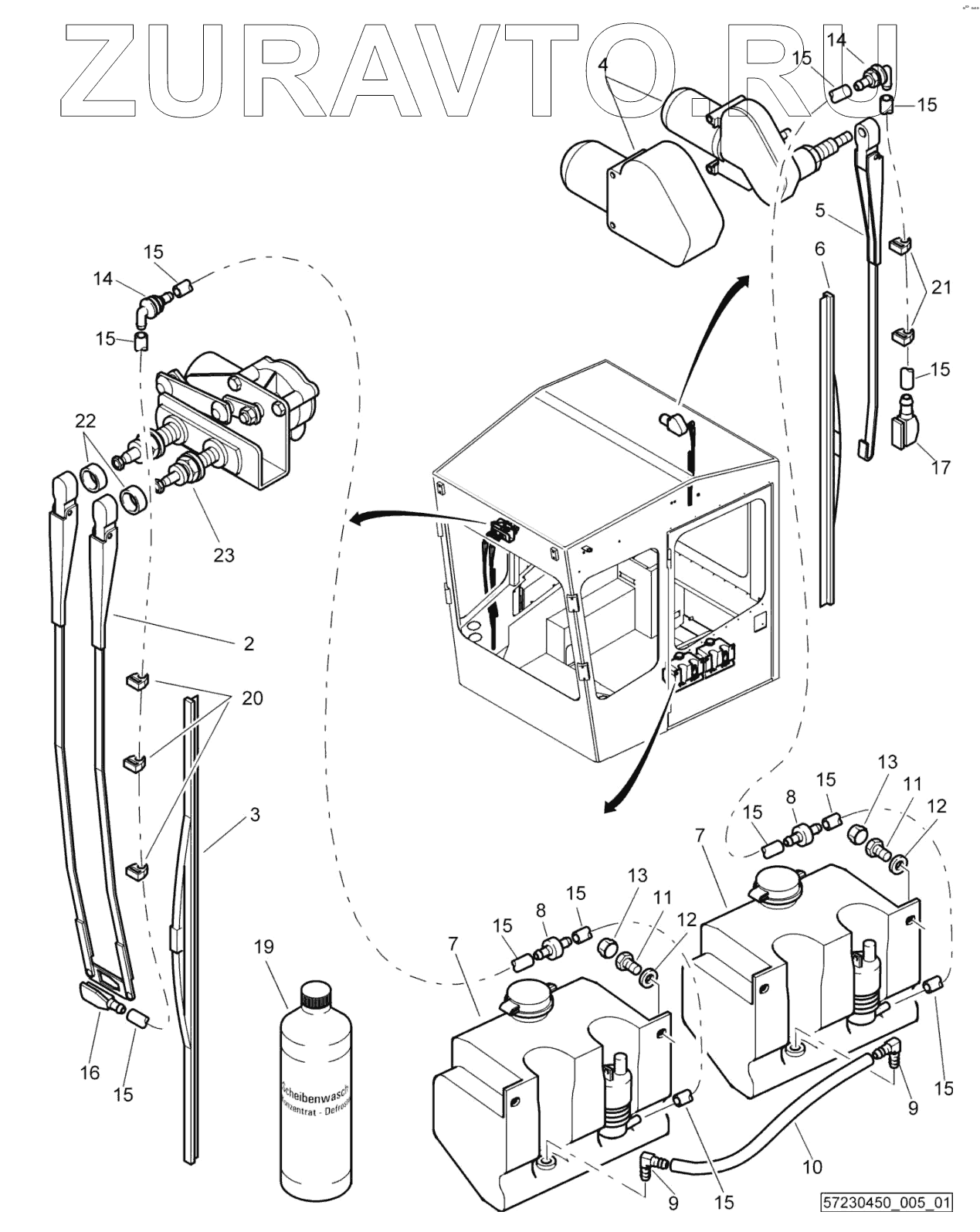
Номер Наименование Цена
2 05726648 Arm,wiper Нет в продаже
3 05571509 Blade,wiper Нет в продаже
4 05571519 Motor,wiper Нет в продаже
5 05571518 Arm,wiper Нет в продаже
6 05571474 Blade,wiper Нет в продаже
7 05726672 Container with 1 pump Нет в продаже
8 05726675 check valve Нет в продаже
9 05553457 Angular union Нет в продаже
10 00661090 Hose Нет в продаже
11 07140824 Hexagon bolt Нет в продаже
12 08510817 Washer Нет в продаже
13 06510175 Protection cap Нет в продаже
14 32110159 Coupling Нет в продаже
15 00661088 Hose Нет в продаже
16 32121453 Spray nozzle Нет в продаже
17 32121279 Nozzle element Нет в продаже
19 00994011 Anti-freeze agent Нет в продаже
20 32110160 Terminal Нет в продаже
21 32110158 Terminal Нет в продаже
22 58290321 Spacer piece Нет в продаже
23 05571547 Motor,wiper Нет в продаже
2
3
4
5
6
7
7
8
8
9
9
10
11
11
12
12
13
13
14
14
15
15
15
15
15
15
15
15
15
15
15
15
16
17
19
20
21
22
23
100%
Содержащиеся в справочниках-каталогах запасные части и детали носят исключительно информационный характер