Оригинальные каталоги
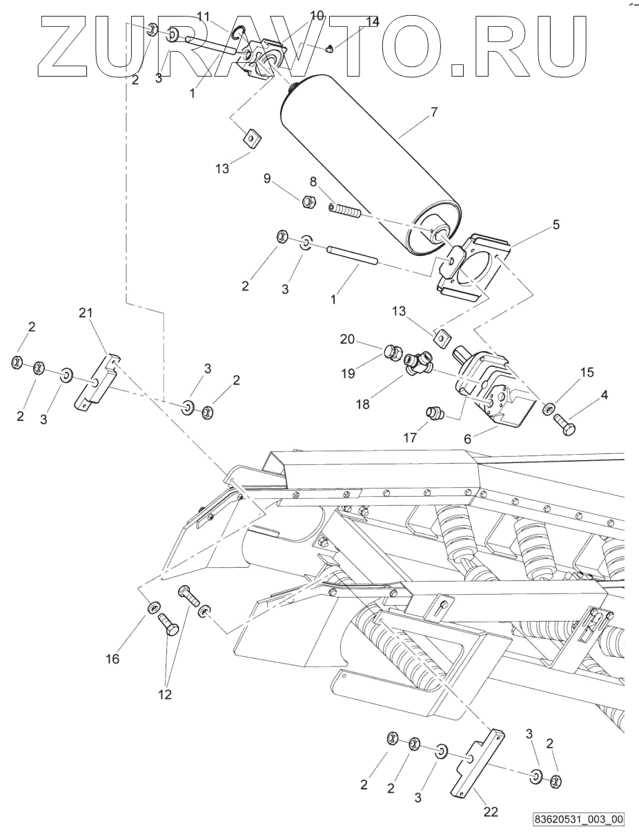
| № | Номер | Наименование | Цена | |
|---|---|---|---|---|
| 1 | 324152018 | Threaded rod | Нет в продаже |
|
| 2 | 08111825 | Hexagon nut | Нет в продаже |
|
| 3 | 08752180 | Spring washer | Нет в продаже |
|
| 4 | 07141242 | Hexagon bolt | Нет в продаже |
|
| 5 | D2321008 | Pillow block | Нет в продаже |
|
| 6 | 330050110 | Hydraulic motor | Нет в продаже |
|
| 7 | D2321010 | Tension roller | Нет в продаже |
|
| 8 | 324043207 | Screw | Нет в продаже |
|
| 9 | 08111016 | Hexagon nut | Нет в продаже |
|
| 10 | 326009032 | Pillow block | Нет в продаже |
|
| 11 | 09212400 | Circlip,external | Нет в продаже |
|
| 12 | 07141440 | Hexagon bolt | Нет в продаже |
|
| 13 | D2322009 | Plate | Нет в продаже |
|
| 14 | 348040021 | Grease nipple | Нет в продаже |
|
| 15 | 08752130 | Spring washer | Нет в продаже |
|
| 16 | 08752140 | Spring washer | Нет в продаже |
|
| 17 | 05540051 | Double-ended union | Нет в продаже |
|
| 18 | 05543011 | Socket | Нет в продаже |
|
| 19 | 05542704 | Plug | Нет в продаже |
|
| 20 | 05545022 | Cap nut | Нет в продаже |
|
| 21 | D232201314 | Locking plate | Нет в продаже |
|
| 22 | D232201315 | Locking plate | Нет в продаже |
|
1
1
2
2
2
2
2
2
2
2
3
3
3
3
3
3
4
5
6
7
8
9
10
11
12
13
13
14
15
16
17
18
19
20
21
22
Содержащиеся в справочниках-каталогах запасные части и детали носят исключительно информационный характер