Оригинальные каталоги
| № | Номер | Наименование | Цена | |
|---|---|---|---|---|
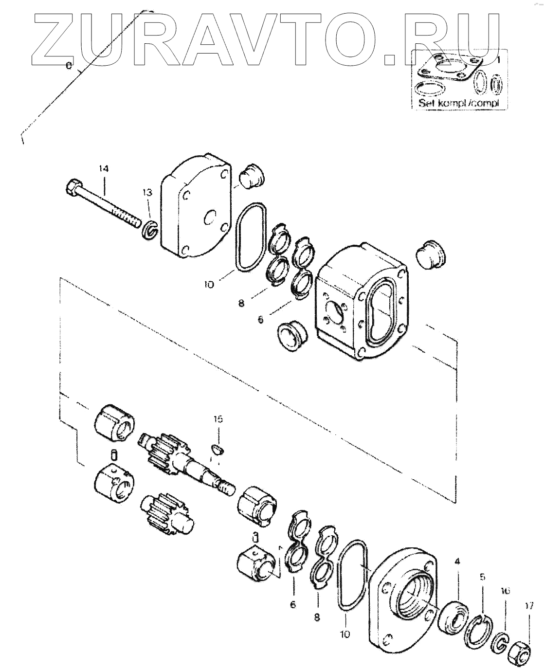
| 05S13057 | 05S13057 | Hydraulic gear motor | Нет в продаже |
|
| 1 | 05851086 | >Kit, seal | Нет в продаже |
|
| 4 | 05851006 | >Radial seal | Нет в продаже |
|
| 5 | 09221300 | Circlip,internal | Нет в продаже |
|
| 13 | 05851130 | >Spring washer | Нет в продаже |
|
| 14 | 07131046 | >Hexagon bolt | Нет в продаже |
|
| 15 | 09190302 | >Woodruff key | Нет в продаже |
|
| 16 | 05851131 | >Spring washer | Нет в продаже |
|
| 17 | 08121215 | >Hexagon nut | Нет в продаже |
|
05S13057
1
4
5
13
14
15
16
17
Содержащиеся в справочниках-каталогах запасные части и детали носят исключительно информационный характер