Оригинальные каталоги
| № | Номер | Наименование | Цена | |
|---|---|---|---|---|
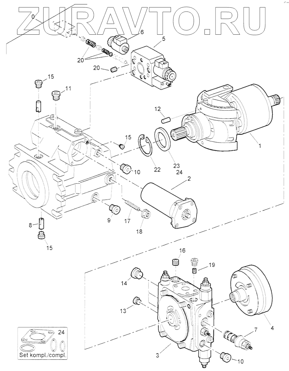
| 05802024 | 05802024 | Travel pump | Нет в продаже |
|
| 1 | 05546915 | Rotor group | Нет в продаже |
|
| 2 | 05804103 | Hydraulic control | Нет в продаже |
|
| 3 | 05804104 | Connect. plate with valves | Нет в продаже |
|
| 4 | 05546916 | Kit. internal gear pump | Нет в продаже |
|
| 5 | 05546917 | Inching valve | Нет в продаже |
|
| 6 | 05546731 | Solenoid switch | Нет в продаже |
|
| 7 | 05804107 | Regulator cartridge | Нет в продаже |
|
| 8 | 05800257 | Toggle pin | Нет в продаже |
|
| 9 | 05801145 | Screw plug with seal | Нет в продаже |
|
| 10 | 05801521 | Screw plug with seal | Нет в продаже |
|
| 11 | 05801387 | Screw plug with seal | Нет в продаже |
|
| 12 | 05985302 | Dowel pin | Нет в продаже |
|
| 13 | 05546102 | Screw plug with seal | Нет в продаже |
|
| 14 | 05546107 | Screw plug with seal | Нет в продаже |
|
| 15 | 05546131 | Screw plug with seal | Нет в продаже |
|
| 16 | 07621815 | Screw plug | Нет в продаже |
|
| 17 | 05804110 | Eccentric bolt | Нет в продаже |
|
| 18 | 05996121 | Seal lock nut | Нет в продаже |
|
| 19 | 05800183 | Nozzle | Нет в продаже |
|
| 20 | 05801163 | > Nozzle M6/1, 2 | Нет в продаже |
|
| 21 | 05546918 | Control parts | Нет в продаже |
|
| 22 | 05546913 | Kit. seal | Нет в продаже |
|
05802024
1
2
3
4
5
6
7
8
9
10
10
11
12
13
14
15
15
15
16
17
18
19
20
22
Содержащиеся в справочниках-каталогах запасные части и детали носят исключительно информационный характер