Оригинальные каталоги
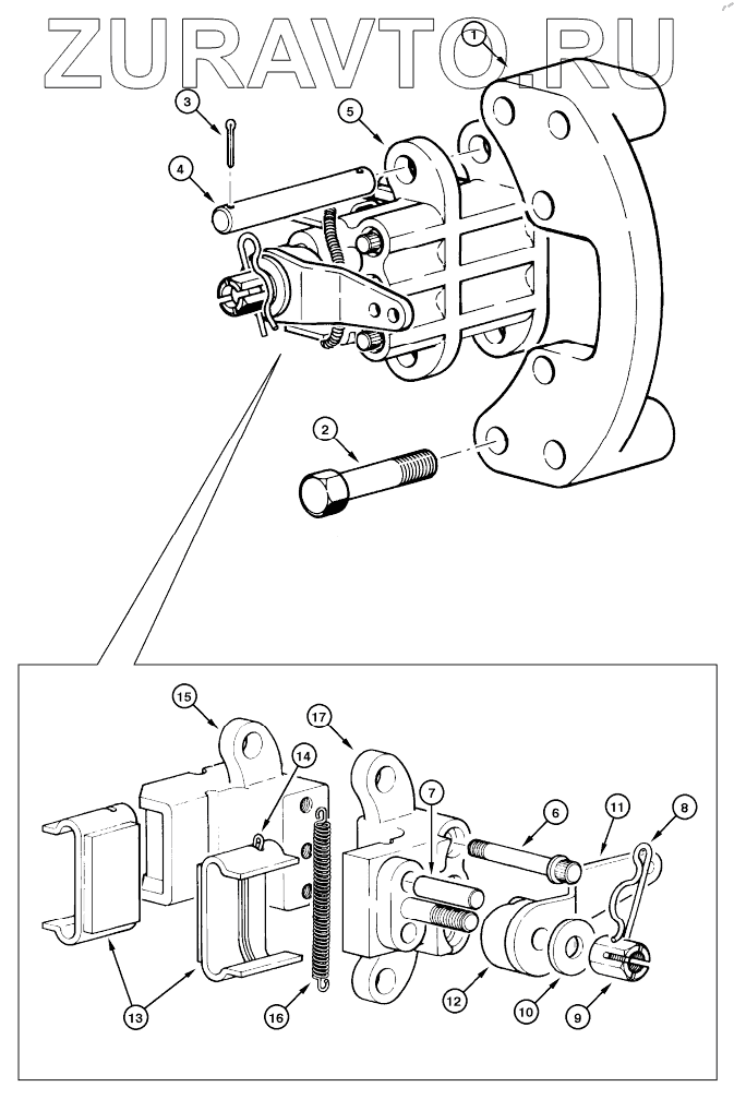
| № | Номер | Наименование | Цена | |
|---|---|---|---|---|
| 1 | 9804258 | SCREW | Нет в продаже |
|
| 2 | 9804262 | BOLT | Нет в продаже |
|
| 3 | 47505880 | HOOK Battery Tie Down | Нет в продаже |
|
| 4 | 47529572 | BRACKET Battery Cable | Нет в продаже |
|
| 5 | 86625064 | NUT | Нет в продаже |
|
| 6 | 84420303 | STRAP, Battery Mount | Нет в продаже |
|
| 7 | 86624144 | WASHER 13/32" x 3/4" x .120" | Нет в продаже |
|
| 8 | 84529949 | WIRE HARNESS Fuel Filter Jumper | Нет в продаже |
|
| 9 | 84605008 | POS BATTERY CABLE F5C | Нет в продаже |
|
| 10 | 86050279 | NUT | Нет в продаже |
|
| 11 | 86505868 | SERRATED NUT | Нет в продаже |
|
| 12 | 87030508 | BOLT | Нет в продаже |
|
| 13 | 87053083 | HARNESS | Нет в продаже |
|
| 14 | 87698844 | BOLT, Flange, M12 X 20 Full | Нет в продаже |
|
| 15 | D140369 | CABLE PULLING GRIP, Strap | Нет в продаже |
|
| 16 | L11541 | CABLE TIE | Нет в продаже |
|
1
2
3
4
5
6
7
8
9
10
11
12
13
14
15
16
16
16
Содержащиеся в справочниках-каталогах запасные части и детали носят исключительно информационный характер