Оригинальные каталоги
| № | Номер | Наименование | Цена | |
|---|---|---|---|---|
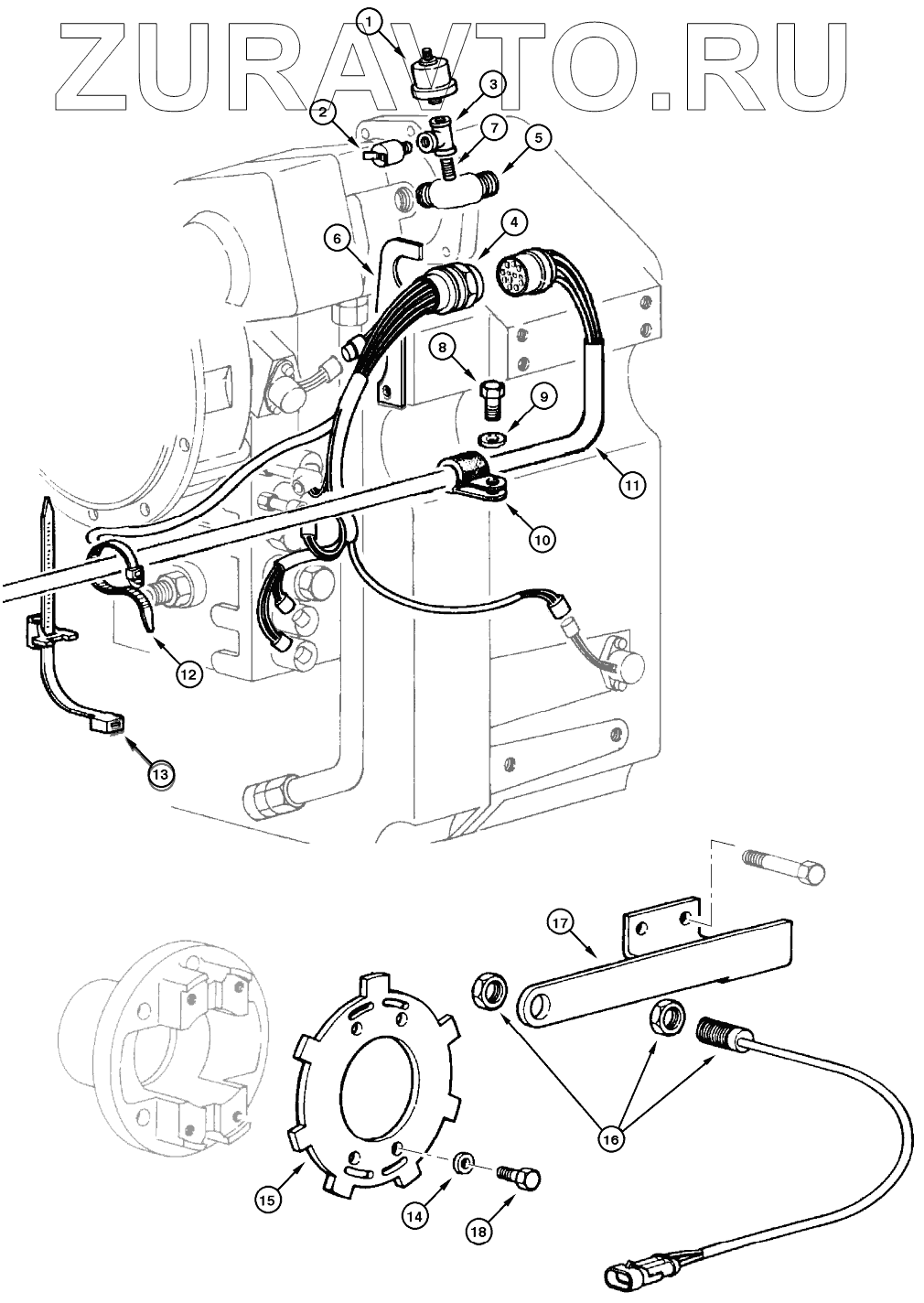
| 1 | 86071 | CONNECTOR | Нет в продаже |
|
| 2 | 274754 | O-RING, -220, 70 Duro, 1.359" ID x .139" Thk | Нет в продаже |
|
| 3 | 14307321 | HEX SOC SCREW | Нет в продаже |
|
| 4 | 84329005 | HOSE High Flow Supply | Нет в продаже |
|
| 5 | 84385861 | FITTING Gear Pump Suction | Нет в продаже |
|
| 6 | 84387451 | HOSE Gear Pump Suction | Нет в продаже |
|
| 7 | 84602054 | HYDRAULIC PUMP 36.3/13.7CC Gear, Incl 8 | Нет в продаже |
|
| 8 | 84389262 | SEAL KIT, Double Pump | Нет в продаже |
|
| 9 | 128825 | O-RING | Нет в продаже |
|
1
2
3
4
5
6
7
8
9
Содержащиеся в справочниках-каталогах запасные части и детали носят исключительно информационный характер