Оригинальные каталоги
| № | Номер | Наименование | Цена | |
|---|---|---|---|---|
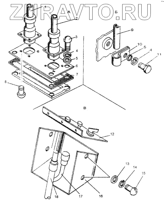
| 1 | ДЗ-98В.41.30.250 | Жгут | Нет в продаже |
|
| 2 | ДЗ-98В.41.30.180 | Жгут | Нет в продаже |
|
| 3 | В.М6-6gх10.58.019 17473 | Винт | Нет в продаже |
|
| 4 | 6.65Г.069 6402 | Шайба | Нет в продаже |
|
| 5 | С6.02.019 11371 | Шайба | Нет в продаже |
|
| 6 | ДЗ-98В.41.01.006 | Пластина | Нет в продаже |
|
| 7 | ДЗ-140А.01.097 | Прокладка | Нет в продаже |
|
| 8 | В.М4-6gх16 58.019 17473 | Винт | Нет в продаже |
|
| 9 | ПВХ-15х0.2 16214 | Лента | Нет в продаже |
|
| 10 | 067.36.11.571 | Хомут | Нет в продаже |
|
| 11 | М6-6gх10.58.019 7798 | Болт | Нет в продаже |
|
| 12 | ДЗ-98В.41.01.030 | Панель замка зажигания | Нет в продаже |
|
| 13 | С4.02.019 11371 | Шайба | Нет в продаже |
|
| 14 | 4.65Г.069 6402 | Шайба | Нет в продаже |
|
| 15 | В.М4-6gх10.58.019 17473 | Винт | Нет в продаже |
|
| 16 | ДЗ-98В.41.01.009 | Кожух | Нет в продаже |
|
| 17 | ДЗ-98В.41.30.180 | Жгут | Нет в продаже |
|
| 18 | ДЗ-98В.41.30.300 | Провод | Нет в продаже |
|
1
2
3
4
4
5
5
6
7
8
9
10
11
12
13
14
15
16
17
18
Содержащиеся в справочниках-каталогах запасные части и детали носят исключительно информационный характер