Оригинальные каталоги
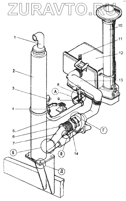
| № | Номер | Наименование | Цена | |
|---|---|---|---|---|
| 1 | 2256010-12.00.120 | Насадок | Нет в продаже |
|
| 2 | 2256010-12.00 070 | Глушитель | Нет в продаже |
|
| 3 | ДЗ-98В.32.00.106 | Стойка | Нет в продаже |
|
| 4 | ДЗ-98В.32.00.134 | Труба | Нет в продаже |
|
| 5 | ДЗ-98В.32.00.107 | Рукав 50х61.5 16 I=1600 мм | Нет в продаже |
|
| 6 | ДЗ-98.32.00.059 | Прокладка | Нет в продаже |
|
| 7 | ДЗ-98В.32.00.100 | Труба | Нет в продаже |
|
| 8 | ДЗ-98В.32.00.136 | Рукав 50х16.5-16 I=150 мм | Нет в продаже |
|
| 9 | ДЗ-98В.32.00.140 | Переходник | Нет в продаже |
|
| 10 | ДЗ-98В.32.00.200 | Воздухозаборная труба | Нет в продаже |
|
| 11 | ИЗВ-500 | Индикатор засоренности воздуха | Нет в продаже |
|
| 12 | 2256010-19.04.000 | Воздухоочиститель второй ступени | Нет в продаже |
|
| 13 | 125х925 | Рукав | Нет в продаже |
|
| 14 | ДЗ-98.32.00.590 | Компенсатор | Нет в продаже |
|
1
2
3
4
5
6
7
8
9
10
11
12
13
14
Содержащиеся в справочниках-каталогах запасные части и детали носят исключительно информационный характер