Оригинальные каталоги
| № | Номер | Наименование | Цена | |
|---|---|---|---|---|
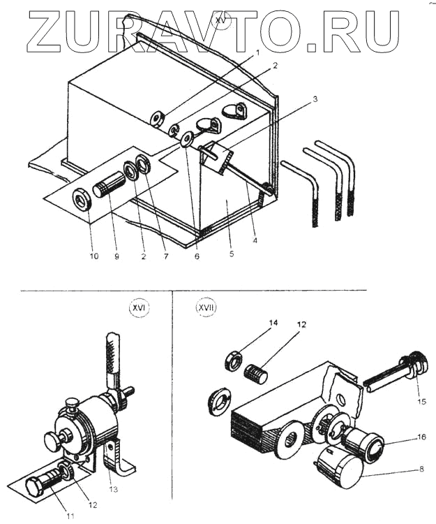
| 1 | 12.65Г.069 6402 | Шайба | Нет в продаже |
|
| 2 | 10.65Г.069 6402 | Шайба | Нет в продаже |
|
| 3 | Д395-0401.910 | Зажим | Нет в продаже |
|
| 4 | Д395-0401.006 | Тяга | Нет в продаже |
|
| 5 | 6СТ-190А | Аккумуляторная батарея | Нет в продаже |
|
| 6 | Д395-0401.037 | Амортизатор | Нет в продаже |
|
| 7 | С10.02.019 11371 | Шайба | Нет в продаже |
|
| 8 | ПФ 101 -В | Фонарь передний | Нет в продаже |
|
| 9 | М10-6gх35.58.019 7798 | Болт | Нет в продаже |
|
| 10 | М10-6Н.5.019 5915 | Гайка | Нет в продаже |
|
| 11 | М6-6gх16.58.019 7798 | Болт | Нет в продаже |
|
| 12 | 6.65Г.069 6402 | Шайба | Нет в продаже |
|
| 13 | ВК 318-Б | Выключатель | Нет в продаже |
|
| 14 | М6-6Н.5.019 5915 | Гайка | Нет в продаже |
|
| 15 | Д395А-0401.269 | Кольцо | Нет в продаже |
|
| 16 | УП5-Б 6964 | Фонарь указатель поворота задний | Нет в продаже |
|
1
2
2
3
4
5
6
7
8
9
10
11
12
12
13
14
15
16
Содержащиеся в справочниках-каталогах запасные части и детали носят исключительно информационный характер