Оригинальные каталоги
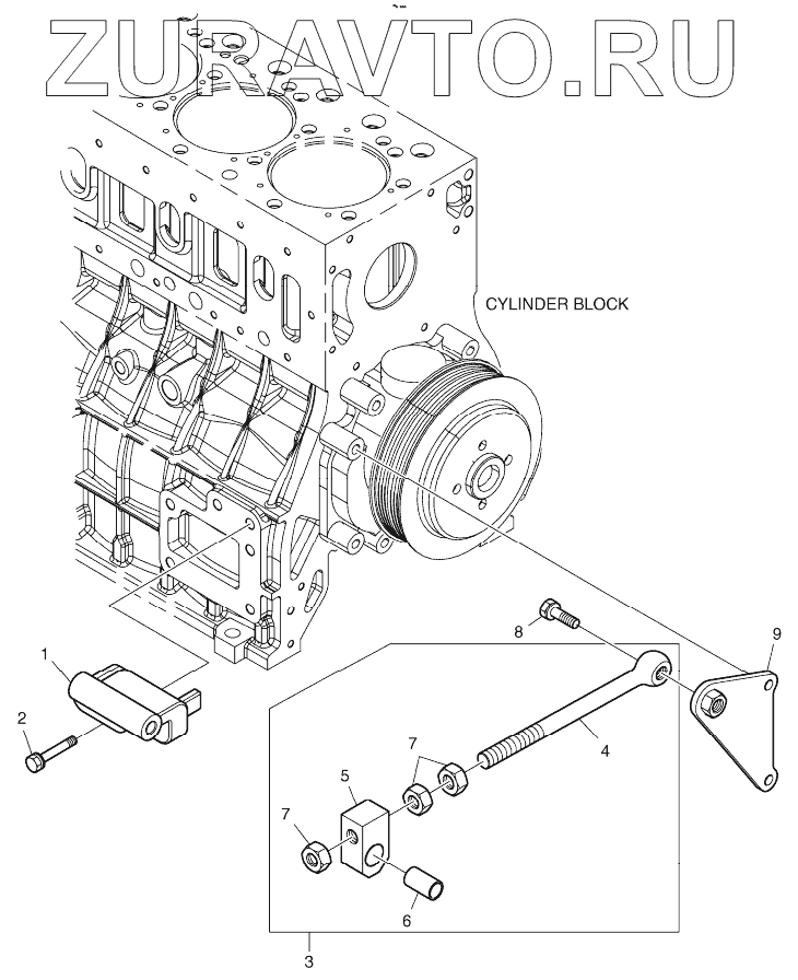
| № | Номер | Наименование | Цена | |
|---|---|---|---|---|
| 1 | 65.19102-0096 | BRACKET, ALTERNATOR | Нет в продаже |
|
| 1 | 65.19102-0103 | BRACKET, ALTERNATOR | Нет в продаже |
|
| 2 | 06.01943-3323 | BOLT ASSY M12X1.5X60 | Нет в продаже |
|
| 3 | 65.19103-6010А | EYE BOLT ASS'Y | Нет в продаже |
|
| 4 | 65.90441-0009А | EYE BOLT | Нет в продаже |
|
| 5 | 65.19107-0001А | PIECE, GUIDE | Нет в продаже |
|
| 6 | 65.93020-0055 | BUSH | Нет в продаже |
|
| 7 | 06.11063-9217 | NUT;HEX. | Нет в продаже |
|
| 8 | 06.01943-3319 | BOLT ASS'Y M12X1.5X40 | Нет в продаже |
|
| 9 | 65.19103-5049 | SUPPORT, ALTERNATOR | Нет в продаже |
|
1
1
2
3
4
5
6
7
7
8
9
Содержащиеся в справочниках-каталогах запасные части и детали носят исключительно информационный характер