Оригинальные каталоги
| № | Номер | Наименование | Цена | |
|---|---|---|---|---|
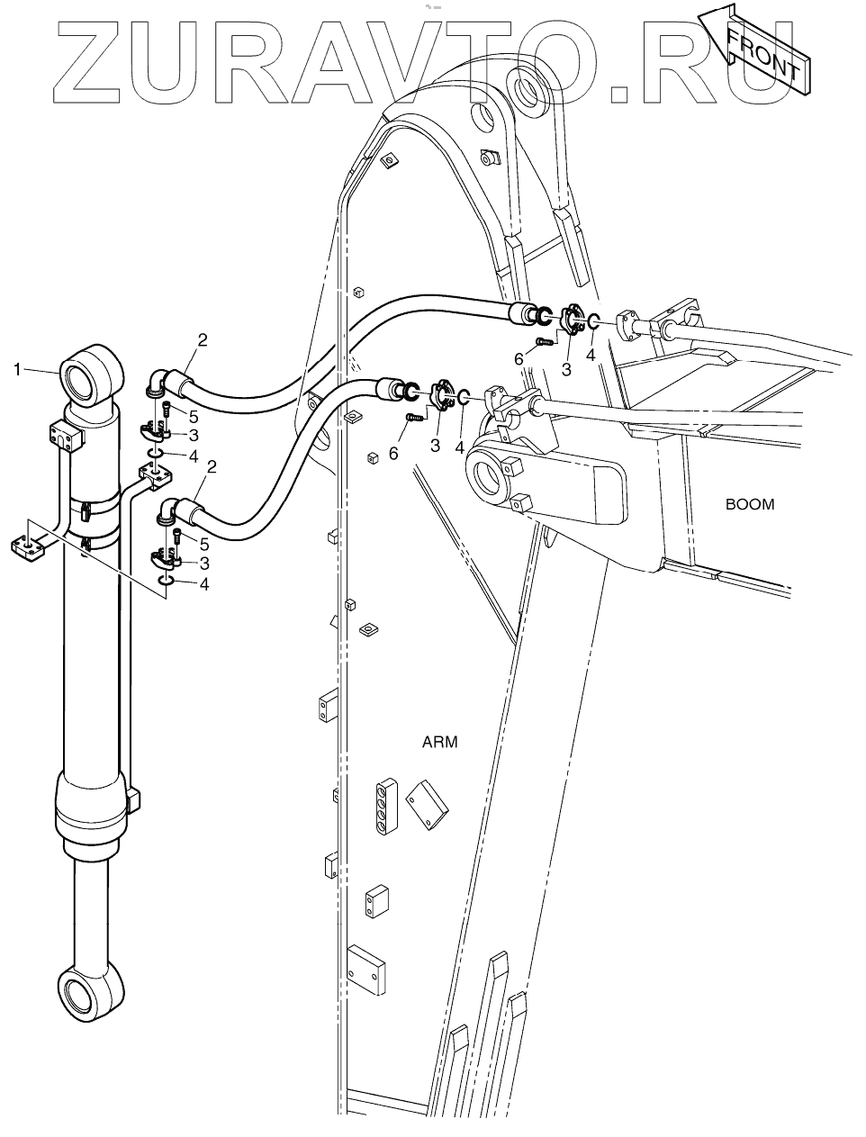
| К1011043А | К1011043А | ARM PIPING | Нет в продаже |
|
| 1 | К1011044 | CYLINDER, BUCKET | Нет в продаже |
|
| 1 | К1011044А | CYLINDER, BUCKET | Нет в продаже |
|
| 2 | 2184-1100D78 | HOSE | Нет в продаже |
|
| 3 | 2181-9078 | Flange | Нет в продаже |
|
| 4 | 2180-1026D19 | O-RING | Нет в продаже |
|
| 5 | S2212266 | BOLT;SOCKET M10X1.5X30 | Нет в продаже |
|
| 6 | S2212466 | BOLT;SOCKET M10X1.5X40 | Нет в продаже |
|
1
1
2
2
3
3
3
3
4
4
4
4
5
5
6
6
Содержащиеся в справочниках-каталогах запасные части и детали носят исключительно информационный характер