Оригинальные каталоги
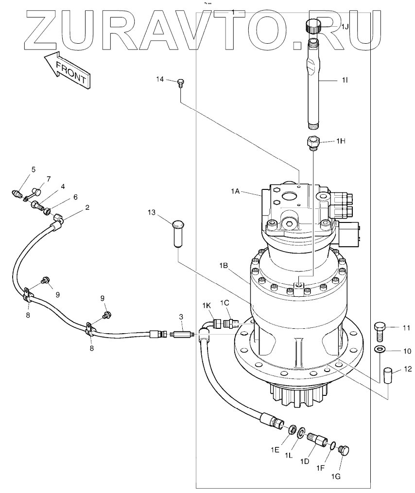
| № | Номер | Наименование | Цена | |
|---|---|---|---|---|
| 401-00477J | 401-00477J | SWING DEVICE ASSY | Нет в продаже |
|
| 1 | K1045919 | SWING DEVICE SUB ASSY | Нет в продаже |
|
| 170301-00111 | 170301-00111 | DEVICE,SWING | Нет в продаже |
|
| 170301-00111A | 170301-00111A | DEVICE,SWING, SUB | Нет в продаже |
|
| 170301-00111B | 170301-00111B | DEVICE,SWING, SUB | Нет в продаже |
|
| 1A | K1045024 | SWING MOTOR | Нет в продаже |
|
| 170303-00049 | 170303-00049 | MOTOR,SWING | Нет в продаже |
|
| 170303-00049B | 170303-00049B | MOTOR,SWING | Нет в продаже |
|
| 1B | K1038203 | SWING REDUCTION GEAR ASS | Нет в продаже |
|
| 130426-00010 | 130426-00010 | GEAR ASSY,REDUCTION | Нет в продаже |
|
| 1C | 2181-1110D3 | ADAPTER | Нет в продаже |
|
| 1D | 181-00698 | REDUCER | Нет в продаже |
|
| 1E | 121-00010D3 | NUT | Нет в продаже |
|
| 1F | S8000181 | O-RING | Нет в продаже |
|
| 1G | 2181-1950D7 | PLUG PF1/2 | Нет в продаже |
|
| 1H | 2181-1913D24 | REDUCER PT1/2XPT3/4 | Нет в продаже |
|
| 1I | K1000266 | PIPE | Нет в продаже |
|
| 1J | 2119-1063B | Cap | Нет в продаже |
|
| 1K | 2184-1036D43 | HOSE PF1/2-550L | Нет в продаже |
|
| 1L | S5011113 | WASHER;PLAIN | Нет в продаже |
|
| 2 | 2184-1046D50 | HOSE | Нет в продаже |
|
| 3 | DS2214051 | ADAPTER | Нет в продаже |
|
| 4 | 181-00103 | REDUCER PT1/8-PF1/4 | Нет в продаже |
|
| 5 | S6710041 | NIPPLE;GREASE | Нет в продаже |
|
| 6 | 121-00006 | NUT PF1/4 | Нет в продаже |
|
| 7 | 160-00020 | CAP;GREASE NIPPLE | Нет в продаже |
|
| 8 | 124-00208D2 | CLIP D14/M8 | Нет в продаже |
|
| 9 | 120-00276 | BOLT M8X1.25X12 | Нет в продаже |
|
| 10 | 2114-9012A | WASHER;HARD | Нет в продаже |
|
| 11 | S0570166 | BOLT M20X2.5X65 | Нет в продаже |
|
| 12 | 160-00027 | CAP;RUBBER | Нет в продаже |
|
| 13 | 2123-4030 | PIN;LOCK | Нет в продаже |
|
| 14 | S0511666 | BOLT | Нет в продаже |
|
401-00477J
401-00477J
1
170301-00111
170301-00111A
170301-00111B
1A
170303-00049
170303-00049B
1B
130426-00010
1C
1D
1E
1F
1G
1H
1I
1J
1K
1L
2
3
4
5
6
7
8
8
9
9
10
11
12
13
14
Содержащиеся в справочниках-каталогах запасные части и детали носят исключительно информационный характер