Оригинальные каталоги
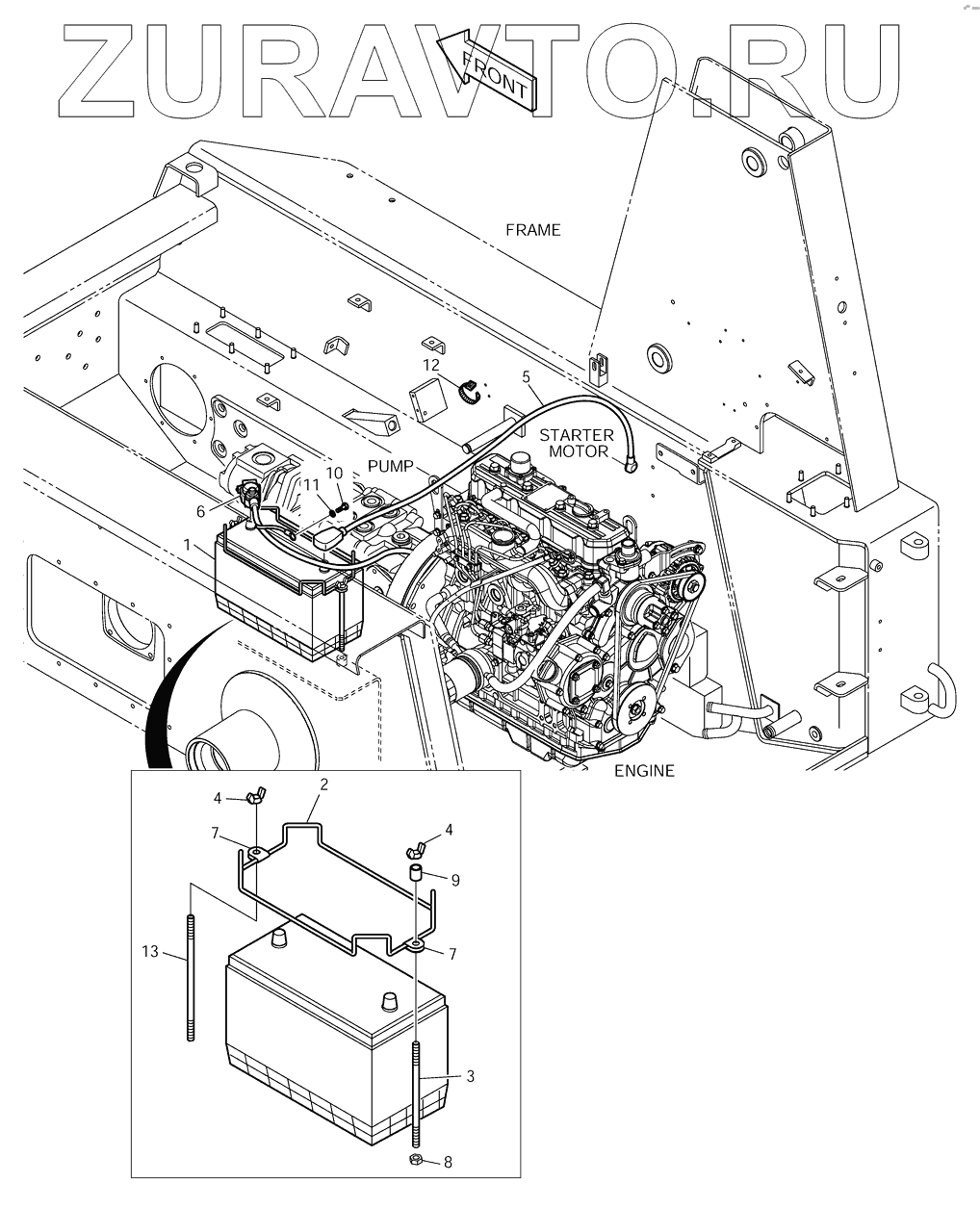
| № | Номер | Наименование | Цена | |
|---|---|---|---|---|
| 1 | 2506-1104 | BATTERY | Нет в продаже |
|
| 10 | S0511463 | BOLT | Нет в продаже |
|
| 11 | K1023135 | WASHER;LOCK | Нет в продаже |
|
| 12 | K1022971 | CLIP;BAND | Нет в продаже |
|
| 13 | K1022300 | BOLT;STUD | Нет в продаже |
|
| 2 | K1022954 | HOLDER;BATTERY | Нет в продаже |
|
| 3 | K1022955 | BOLT;STUD | Нет в продаже |
|
| 4 | S4540603 | NUT;WING M10X1.5 | Нет в продаже |
|
| 5 | K1019069 | CABLE;BATTERY | Нет в продаже |
|
| 6 | K1022956 | CABLE;EARTH | Нет в продаже |
|
| 7 | K1022957 | CLIP | Нет в продаже |
|
| 8 | S4016633 | NUT | Нет в продаже |
|
| 9 | K1022958 | SPACER | Нет в продаже |
|
| K1021483 | K1021483 | ELECTRIC PARTS | Нет в продаже |
|
1
10
11
12
13
2
3
4
4
5
6
7
7
8
9
Содержащиеся в справочниках-каталогах запасные части и детали носят исключительно информационный характер