Оригинальные каталоги
| № | Номер | Наименование | Цена | |
|---|---|---|---|---|
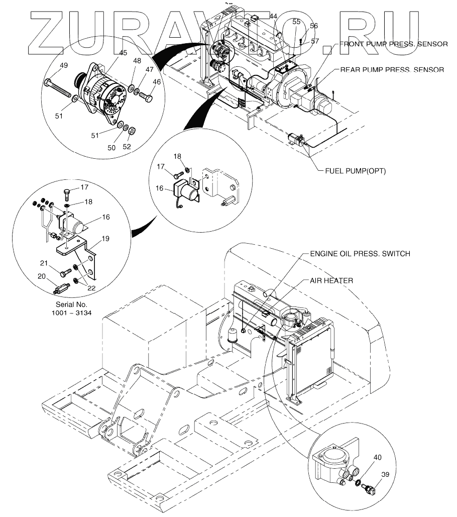
| 500-00147A | 500-00147A | ELECTRIC PARTS(6)-ENGINE | Нет в продаже |
|
| 16 | 544-00007 | RELAY;PREHEAT | Нет в продаже |
|
| 17 | S0504453 | BOLT M6X1.0X12 | Нет в продаже |
|
| 18 | S5102303 | WASHER;SPRING M6 | Нет в продаже |
|
| 19 | 195-01967 | Bracket, relay | Нет в продаже |
|
| 20 | 2120-2235 | BOLT;STUD M10X1.25X15/M8 | Нет в продаже |
|
| 21 | S0711653 | Bolt | Нет в продаже |
|
| 22 | S5102603 | WASHER;SPRING M10 | Нет в продаже |
|
| 39 | 2547-9038B | SENSOR;WATER TEMP | Нет в продаже |
|
| 40 | S8180251 | PACKING M16/D22 | Нет в продаже |
|
| 44 | 2547-1015 | SENSOR;ENGINE SPEED | Нет в продаже |
|
| 45 | 2502-9007B | ALTERNATOR 24V 60A | Нет в продаже |
|
| 46 | S0760853 | BOLT M12X1.25X55 | Нет в продаже |
|
| 47 | S5102703 | WASHER;SPRING M10 | Нет в продаже |
|
| 48 | 2114-1058D54 | WASHER | Нет в продаже |
|
| 49 | S0562653 | BOLT M12X1.75X160 | Нет в продаже |
|
| 50 | S5102703 | WASHER;SPRING M10 | Нет в продаже |
|
| 51 | S5010713 | WASHER;PLAIN | Нет в продаже |
|
| 52 | S4012733 | NUT M12 | Нет в продаже |
|
| 55 | 2197-1793 | BRACKET;SPEED SENSOR | Нет в продаже |
|
| 56 | S0512053 | BOLT M10X1.5X25 | Нет в продаже |
|
| 57 | S5102603 | WASHER;SPRING M10 | Нет в продаже |
|
16
16
17
17
18
18
19
20
21
22
39
40
44
45
46
47
48
49
50
51
51
52
55
56
57
Содержащиеся в справочниках-каталогах запасные части и детали носят исключительно информационный характер