Оригинальные каталоги
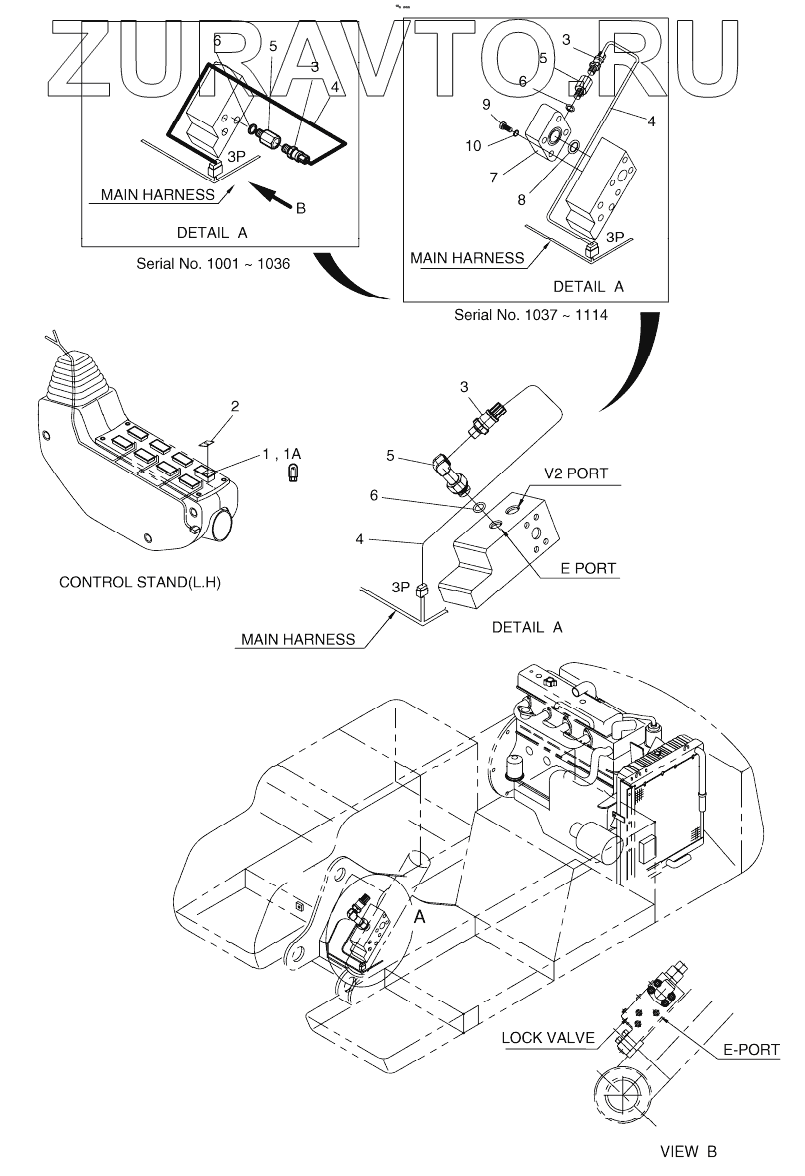
| № | Номер | Наименование | Цена | |
|---|---|---|---|---|
| 500-00134 | 500-00134 | OVERLOAD WARNING DEVICE | Нет в продаже |
|
| 500-00228 | 500-00228 | OVERLOAD WARNING DEVICE | Нет в продаже |
|
| 1 | 2549-9098 | SWITCH;OVERLOAD WARNING | Нет в продаже |
|
| 1A | K9000353 | LAMP;PILOT | Нет в продаже |
|
| 2 | 2190-2036D25 | INSERT;OVERLOAD WARNING | Нет в продаже |
|
| 3 | 2547-9045 | SENSOR;PRESSURE | Нет в продаже |
|
| 4 | 530-00256 | HARNESS;OVERLOAD WARNING | Нет в продаже |
|
| 5 | 2181-2439A | REDUCER | Нет в продаже |
|
| 5 | DS2308021 | Elbow | Нет в продаже |
|
| 6 | S8000111 | O-RING | Нет в продаже |
|
| 6 | S8000161 | O-RING | Нет в продаже |
|
| 7 | 181-00774 | FLANGE | Нет в продаже |
|
| 8 | S8000281 | O-RING | Нет в продаже |
|
| 9 | S2212561 | BOLT;SOCKET | Нет в продаже |
|
| 10 | S5110603 | WASHER;SPRING | Нет в продаже |
|
500-00134
500-00134
500-00134
500-00228
500-00228
500-00228
1
1A
2
3
3
3
4
4
4
5
5
5
5
5
5
6
6
6
6
6
6
7
8
9
10
Содержащиеся в справочниках-каталогах запасные части и детали носят исключительно информационный характер