Оригинальные каталоги
| № | Номер | Наименование | Цена | |
|---|---|---|---|---|
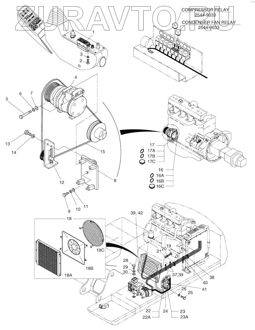
| 2920-1101 | 2920-1101 | COOLER AND HEATER ASSY | Нет в продаже |
|
| 1 | 2543-9031A | Panel, aircon control | Нет в продаже |
|
| 2 | S3450583 | SCREW M4X0.7X12 | Нет в продаже |
|
| 3 | S5000113 | WASHER;PLAIN M4 | Нет в продаже |
|
| 4 | 2208-6013B | COMPRESSOR | Нет в продаже |
|
| 5 | S0557153 | BOLT M8X1.25X90 | Нет в продаже |
|
| 6 | S5102503 | WASHER;SPRING | Нет в продаже |
|
| 7 | S5010513 | WASHER;PLAIN M8 | Нет в продаже |
|
| 8 | 2197-1798B | BRACKET;COMPRESSOR | Нет в продаже |
|
| 9 | S0712153 | BOLT M10X1.25X28 | Нет в продаже |
|
| 10 | S5102603 | WASHER;SPRING M10 | Нет в продаже |
|
| 11 | S5010613 | WASHER;PLAIN | Нет в продаже |
|
| 12 | 2107-6006 | PULLEY ASS'Y;IDLE 4PK | Нет в продаже |
|
| 13 | S0759853 | BOLT M10X1.25X115 | Нет в продаже |
|
| 14 | S5102603 | WASHER;SPRING M10 | Нет в продаже |
|
| 15 | 2106-1019D10 | V-BELT;COMPRESSOR | Нет в продаже |
|
| 16 | 185-00031A | HOSE | Нет в продаже |
|
| 16A | 2180-6088 | O-ring | Нет в продаже |
|
| 16B | 2180-6089 | O-RING(COMP) | Нет в продаже |
|
| 16C | 1.161-00018 | CAP;CHECK PORT(H) | Нет в продаже |
|
| 17 | 2185-1703B | HOSE;SUCTION 2795L | Нет в продаже |
|
| 17A | 2180-6086 | O-RING(COMP) | Нет в продаже |
|
| 17B | 2180-6087 | O-RING(EVA) | Нет в продаже |
|
| 17C | 1.161-00019 | CAP;CHECK PORT(L) | Нет в продаже |
|
| 18 | 2520-6004 | CONDENSER ASS'Y | Нет в продаже |
|
| 18A | 2520-6005 | CONDENSER CORE | Нет в продаже |
|
| 18B | 2538-6018 | MOTOR;CONDENSER | Нет в продаже |
|
| 18C | 2520-6006 | NET;CONDENSER | Нет в продаже |
|
| 19 | S0512053 | BOLT M10X1.5X25 | Нет в продаже |
|
| 20 | S5102603 | WASHER;SPRING M10 | Нет в продаже |
|
| 21 | S5010613 | WASHER;PLAIN | Нет в продаже |
|
| 22 | 2185-1697D2 | HOSE;LIQUID(1) | Нет в продаже |
|
| 22A | 2180-6090 | O-RING | Нет в продаже |
|
| 23 | 2185-1698D1 | HOSE;LIQUID(2) | Нет в продаже |
|
| 23A | 2180-6090 | O-RING | Нет в продаже |
|
| 24 | 2204-6039A | RECEIVER DRIER | Нет в продаже |
|
| 25 | S0508653 | BOLT M8X1.25X16 | Нет в продаже |
|
| 26 | S5102503 | WASHER;SPRING | Нет в продаже |
|
| 28 | S0509053 | BOLT M8X1.25X25 | Нет в продаже |
|
| 29 | S5102503 | WASHER;SPRING | Нет в продаже |
|
| 30 | 2114-1058D29 | WASHER | Нет в продаже |
|
| 37 | 2124-1509D5 | Clip | Нет в продаже |
|
| 38 | 2124-1509D6 | Clip | Нет в продаже |
|
| 39 | 2121-1305 | NUT M8X1.25 | Нет в продаже |
|
| 40 | 2124-1622D3 | CLIP;BAND (280L) | Нет в продаже |
|
| 41 | 2124-1509D2 | CLIP D18 | Нет в продаже |
|
| 42 | 2124-1509D3 | Clip d24/m8 | Нет в продаже |
|
1
2
3
4
5
6
7
8
9
10
11
12
13
14
15
16
16A
16B
16C
17
17A
17B
17C
18
18A
18B
18C
19
20
21
22
22A
23
23A
24
25
26
28
29
30
37
38
39
39
40
41
42
Содержащиеся в справочниках-каталогах запасные части и детали носят исключительно информационный характер