Оригинальные каталоги
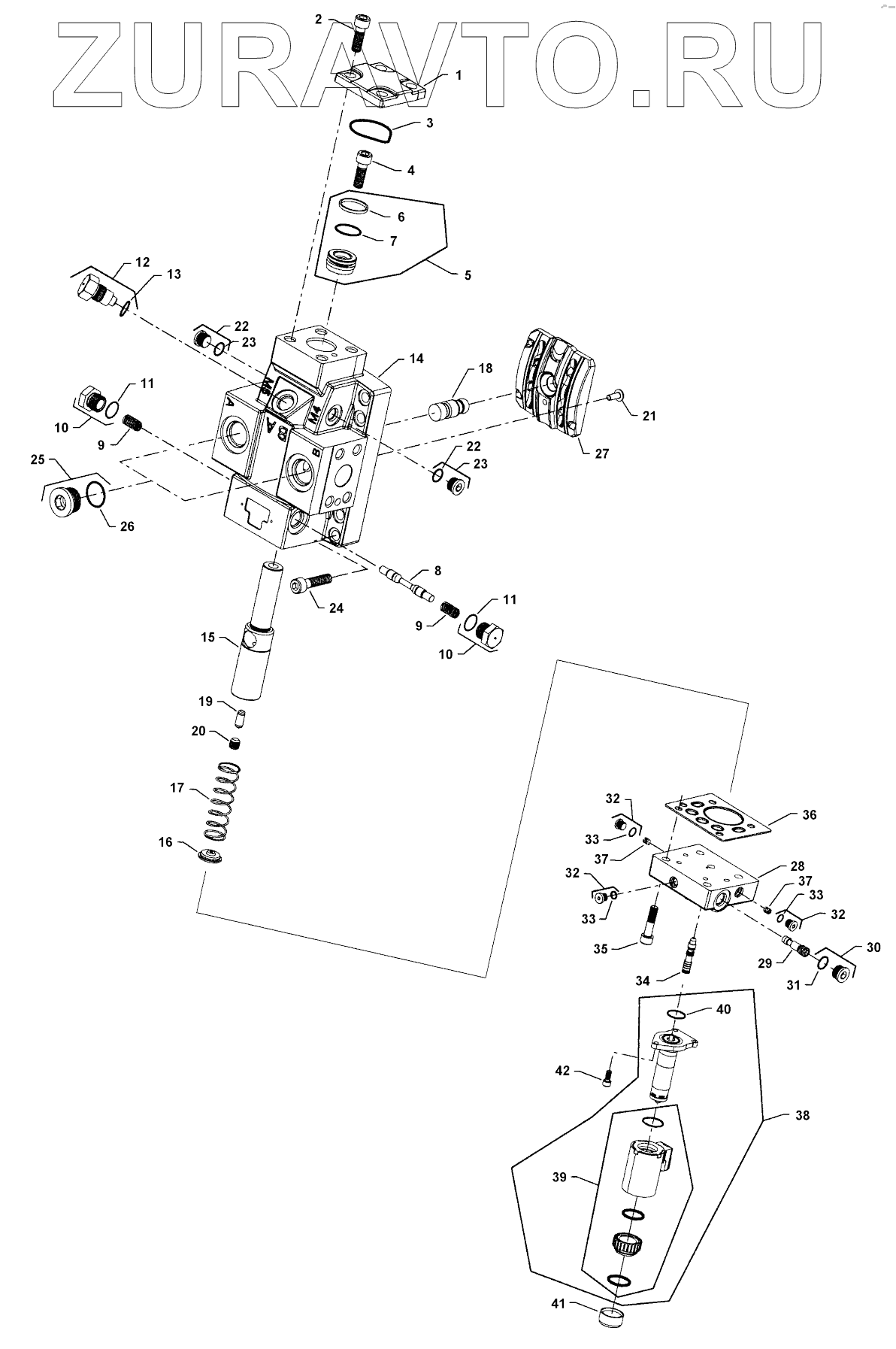
| № | Номер | Наименование | Цена | |
|---|---|---|---|---|
| 1 | Servopistoncover | Servo piston cover | Нет в продаже |
|
| 2 | Screw | Screw | Нет в продаже |
|
| 3 | 4812157065 | O-ring | Нет в продаже |
|
| 4 | Screw | Screw | Нет в продаже |
|
| 5 | 4812158266 | Servo piston assy | Нет в продаже |
|
| 6 | O-ring | O-ring | Нет в продаже |
|
| 7 | Pistonring | Piston ring | Нет в продаже |
|
| 8 | 4812157060 | Spool | Нет в продаже |
|
| 9 | 4812157061 | Spring | Нет в продаже |
|
| 10 | Plug | Plug connector see engine Gr. 9 | Нет в продаже |
|
| 11 | O-ring | O-ring | Нет в продаже |
|
| 12 | 4812157062 | Loop flushing relief valve | Нет в продаже |
|
| 13 | 4812157063 | O-ring | Нет в продаже |
|
| 14 | Endcap | End cap | Нет в продаже |
|
| 15 | Servopiston | Servo piston | Нет в продаже |
|
| 16 | Springguide | Spring guide | Нет в продаже |
|
| 17 | Spring | Spring | Нет в продаже |
|
| 18 | Settinglug | Setting lug | Нет в продаже |
|
| 19 | Settinglugpin | Setting lug pin | Нет в продаже |
|
| 20 | Setscrew | Set screw | Нет в продаже |
|
| 21 | Buttonheadscrew | Button head screw | Нет в продаже |
|
| 22 | Plug | Plug connector see engine Gr. 9 | Нет в продаже |
|
| 23 | O-ring | O-ring | Нет в продаже |
|
| 24 | Screw | Screw | Нет в продаже |
|
| 25 | Plug | Plug connector see engine Gr. 9 | Нет в продаже |
|
| 26 | O-ring | O-ring | Нет в продаже |
|
| 27 | 4812158265 | Valve segment assembly | Нет в продаже |
|
| 28 | Controlhousing | Control housing | Нет в продаже |
|
| 29 | 4812156999 | Shuttle valve assembly | Нет в продаже |
|
| 30 | Plug | Plug connector see engine Gr. 9 | Нет в продаже |
|
| 31 | O-ring | O-ring | Нет в продаже |
|
| 32 | Plug | Plug connector see engine Gr. 9 | Нет в продаже |
|
| 33 | O-ring | O-ring | Нет в продаже |
|
| 34 | 4812157070 | Spool | Нет в продаже |
|
| 35 | Screw | Screw | Нет в продаже |
|
| 36 | 4812157080 | Control seal | Нет в продаже |
|
| 37 | Orificeplug | Orifice plug | Нет в продаже |
|
| 38 | 4812157071 | Solenoid proportional valve | Нет в продаже |
|
| 39 | 4812157072 | Coil kit | Нет в продаже |
|
| 40 | 4812157371 | O-ring | Нет в продаже |
|
| 41 | Plasticcap | Plastic cap | Нет в продаже |
|
| 42 | Screw | Screw | Нет в продаже |
|
1
2
3
4
5
6
7
8
9
9
10
10
11
11
12
13
14
15
16
17
18
19
20
21
22
22
23
23
24
25
26
27
28
29
30
31
32
32
32
33
33
33
34
35
36
37
37
38
39
40
41
42
Содержащиеся в справочниках-каталогах запасные части и детали носят исключительно информационный характер