Назад

Оригинальные каталоги

zoom-in zoom-out enlarge shrink circle-right circle-left file-text2 info cart
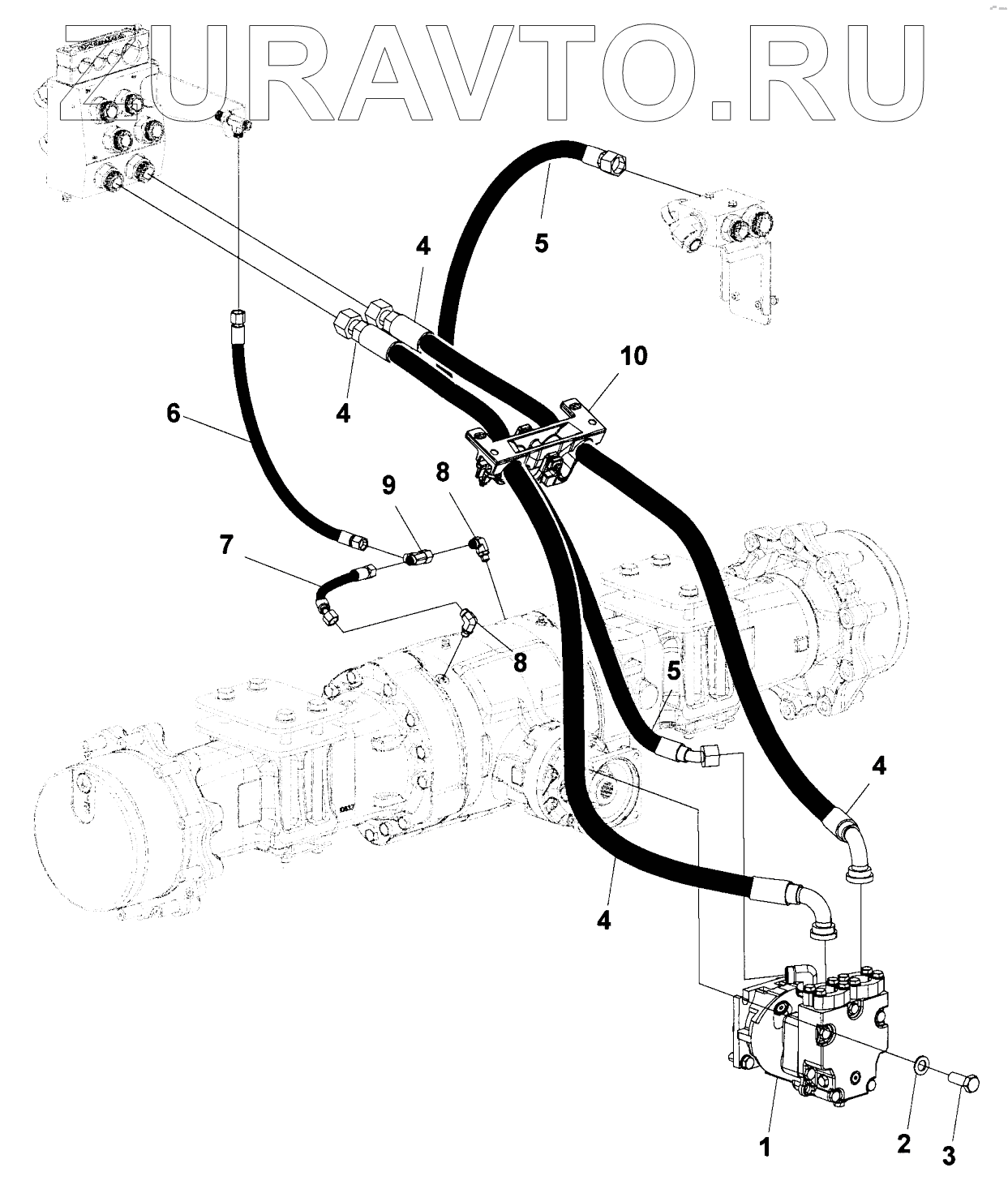
Номер Наименование Цена
1 Hydraulicmotor Hydraulic motor, Cpl Нет в продаже
2 4700904703 Plain washer Нет в продаже
3 4700500194 Hex. screw Нет в продаже
4 4812114700 Hydraulic hose Нет в продаже
5 4811000230 Hydraulic hose Нет в продаже
6 4811000228 Hydraulic hose Нет в продаже
7 4812110229 Screw Нет в продаже
8 4700791846 Adapter Нет в продаже
9 4700791414 T-connection, O-ring with swivel Нет в продаже
10 Hoseholder Hose holder Нет в продаже
1
2
3
4
4
4
4
5
5
6
7
8
8
9
10
100%
Содержащиеся в справочниках-каталогах запасные части и детали носят исключительно информационный характер