Оригинальные каталоги
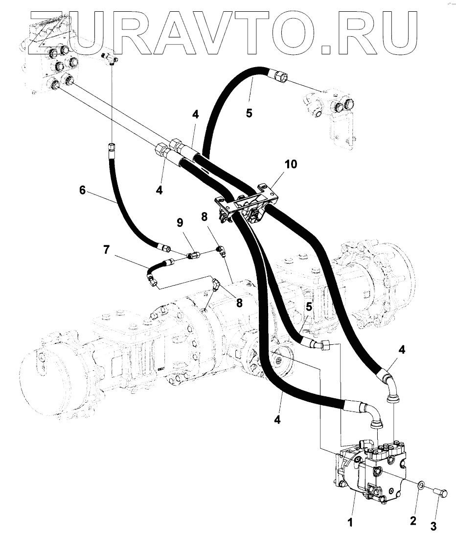
| № | Номер | Наименование | Цена | |
|---|---|---|---|---|
| 1 | Hydraulicmotor | Hydraulic motor, Cpl | Нет в продаже |
|
| 2 | 4700904703 | Plain washer | Нет в продаже |
|
| 3 | 4700500194 | Hex. screw | Нет в продаже |
|
| 4 | 4812114700 | Hydraulic hose | Нет в продаже |
|
| 5 | 4811000230 | Hydraulic hose | Нет в продаже |
|
| 6 | 4811000228 | Hydraulic hose | Нет в продаже |
|
| 7 | 4812110229 | Screw | Нет в продаже |
|
| 8 | 4700791846 | Adapter | Нет в продаже |
|
| 9 | 4700791414 | T-connection, O-ring with swivel | Нет в продаже |
|
| 10 | Hoseholder | Hose holder | Нет в продаже |
|
1
2
3
4
4
4
4
5
5
6
7
8
8
9
10
Содержащиеся в справочниках-каталогах запасные части и детали носят исключительно информационный характер