Назад

Оригинальные каталоги

zoom-in zoom-out enlarge shrink circle-right circle-left file-text2 info cart
Номер Наименование Цена
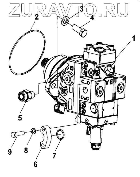
1 4812112202 Drum motor Нет в продаже
2 4700160043 O-ring Нет в продаже
3 4700904232 Steel plain washer Нет в продаже
4 4700500093 Hex. screw Нет в продаже
5 4812115051 Straight connector orfs Нет в продаже
6 4700929226 Flange half Нет в продаже
7 4700904004 O-ring 90 Нет в продаже
8 4700904637 Washer Нет в продаже
9 4700500030 Hexagon head screw Нет в продаже
1
2
3
4
5
6
7
8
9
100%
Содержащиеся в справочниках-каталогах запасные части и детали носят исключительно информационный характер