Оригинальные каталоги
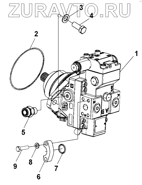
| № | Номер | Наименование | Цена | |
|---|---|---|---|---|
| 1 | 4812112200 | Hydraulic motor | Нет в продаже |
|
| 2 | 4700160043 | O-ring | Нет в продаже |
|
| 3 | 4700904232 | Steel plain washer | Нет в продаже |
|
| 4 | 4700500093 | Hex. screw | Нет в продаже |
|
| 5 | 4812115051 | Straight connector orfs | Нет в продаже |
|
| 6 | 4700929226 | Flange half | Нет в продаже |
|
| 7 | 4700904004 | O-ring 90 | Нет в продаже |
|
| 8 | 4700904637 | Washer | Нет в продаже |
|
| 9 | 4700500030 | Hexagon head screw | Нет в продаже |
|
1
2
3
4
5
6
7
8
9
Содержащиеся в справочниках-каталогах запасные части и детали носят исключительно информационный характер