Оригинальные каталоги
| № | Номер | Наименование | Цена | |
|---|---|---|---|---|
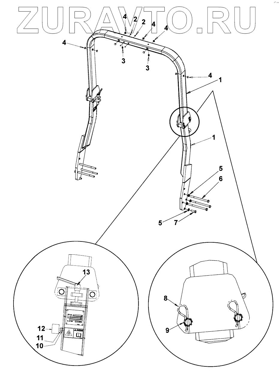
| 1 | Rops lower part | Rops lower part | Нет в продаже |
|
| 1 | Rops upper part | Rops upper part | Нет в продаже |
|
| 2 | 4700900986 | Plug | Нет в продаже |
|
| 3 | 4700902203 | Plug | Нет в продаже |
|
| 4 | 4700791396 | Protective plug | Нет в продаже |
|
| 5 | 4700904232 | Steel plain washer | Нет в продаже |
|
| 6 | 4811000440 | Screw | Нет в продаже |
|
| 7 | 4700947697 | Screw | Нет в продаже |
|
| 8 | 4700635061 | Hair clip | Нет в продаже |
|
| 9 | 4700374009 | Shaft | Нет в продаже |
|
| 10 | 4700904229 | Washer | Нет в продаже |
|
| 11 | 4700570005 | Hex. nut | Нет в продаже |
|
| 12 | 4700288357 | Shock absorber | Нет в продаже |
|
| 13 | 4700904429 | Lock handle | Нет в продаже |
|
1
1
1
1
2
2
3
3
4
4
4
4
4
5
5
6
7
8
9
10
11
12
13
Содержащиеся в справочниках-каталогах запасные части и детали носят исключительно информационный характер