Назад

Оригинальные каталоги

zoom-in zoom-out enlarge shrink circle-right circle-left file-text2 info cart
Номер Наименование Цена
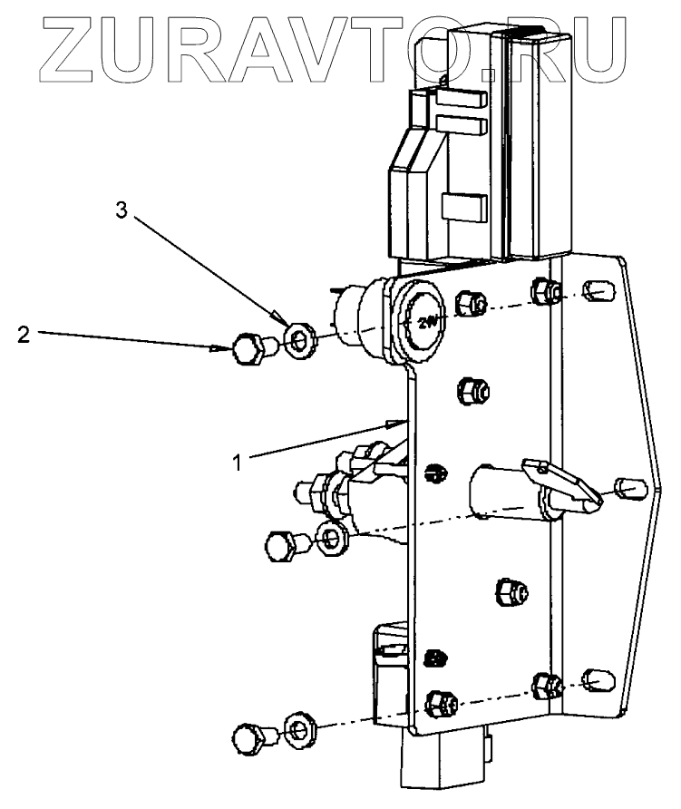
1 Batterydisconnector Battery disconnector module Нет в продаже
2 4700904556 Steel plain washer Нет в продаже
3 4700500019 Hex. screw Нет в продаже
1
2
3
100%
Содержащиеся в справочниках-каталогах запасные части и детали носят исключительно информационный характер