Оригинальные каталоги
| № | Номер | Наименование | Цена | |
|---|---|---|---|---|
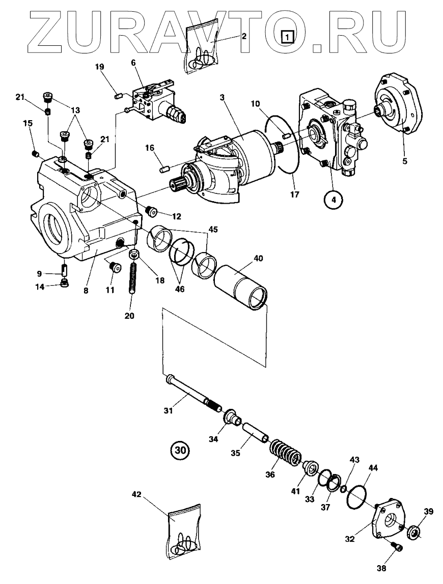
| 1 | Hydraulicpump | Hydraulic pump, Cpl | Нет в продаже |
|
| 2 | 4700936690 | Seal kit | Нет в продаже |
|
| 3 | Rotatinggroup | Rotating group | Нет в продаже |
|
| 4 | Valveblock | Valve block, cpl | Нет в продаже |
|
| 5 | Chargepump | Charge pump, cpl | Нет в продаже |
|
| 6 | Controlunit | Control unit, cpl | Нет в продаже |
|
| 8 | Housing | Housing | Нет в продаже |
|
| 9 | 4700935158 | Pin | Нет в продаже |
|
| 10 | 4700902670 | Pin | Нет в продаже |
|
| 11 | 4700935219 | Plug | Нет в продаже |
|
| 12 | 4700902724 | Plug | Нет в продаже |
|
| 13 | 4700902625 | Plug | Нет в продаже |
|
| 14 | 4700902624 | Screw | Нет в продаже |
|
| 15 | 4700909514 | Double break-off pin | Нет в продаже |
|
| 16 | 4700902792 | Pin | Нет в продаже |
|
| 17 | 4700935159 | O-ring | Нет в продаже |
|
| 18 | 4700902695 | Nut | Нет в продаже |
|
| 19 | 4700935160 | Orifice | Нет в продаже |
|
| 20 | 4700902687 | Pin | Нет в продаже |
|
| 21 | 4700902696 | Orifice | Нет в продаже |
|
| 30 | 4700909757 | Control valve | Нет в продаже |
|
| 31 | Rod | Rod | Нет в продаже |
|
| 32 | Cover | Cover | Нет в продаже |
|
| 33 | Ring | Ring | Нет в продаже |
|
| 34 | Springcollar | Spring collar | Нет в продаже |
|
| 35 | Spacer | Spacer | Нет в продаже |
|
| 36 | Spring | Spring | Нет в продаже |
|
| 37 | Snapring | Snap ring | Нет в продаже |
|
| 38 | Screw | Screw | Нет в продаже |
|
| 39 | Nut | Nut | Нет в продаже |
|
| 40 | Piston | Piston | Нет в продаже |
|
| 41 | Springcollar | Spring collar | Нет в продаже |
|
| 42 | 4700909758 | Seal kit | Нет в продаже |
|
| 43 | O-ring | O-ring | Нет в продаже |
|
| 44 | O-ring | O-ring | Нет в продаже |
|
| 45 | Sealring | Seal ring | Нет в продаже |
|
| 46 | Sealring | Seal ring | Нет в продаже |
|
1
2
3
4
5
6
8
9
10
11
12
13
14
15
16
17
18
19
20
21
21
30
31
32
33
34
35
36
37
38
39
40
41
42
43
44
45
46
Содержащиеся в справочниках-каталогах запасные части и детали носят исключительно информационный характер