Оригинальные каталоги
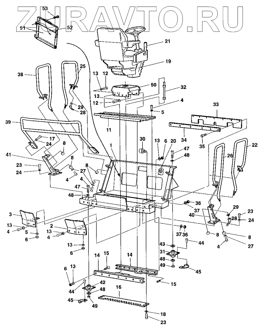
| № | Номер | Наименование | Цена | |
|---|---|---|---|---|
| 1 | 371018 | Platform | Нет в продаже |
|
| 2 | 371043 | Protection, right | Нет в продаже |
|
| 3 | 371046 | Protection, left | Нет в продаже |
|
| 4 | 500019 | Screw | Нет в продаже |
|
| 5 | 904229 | Washer 8,4x16x1,5 | Нет в продаже |
|
| 6 | 570005 | Nut | Нет в продаже |
|
| 8 | 370375 | Bushing | Нет в продаже |
|
| 11 | 371053 | Cover | Нет в продаже |
|
| 12 | 500021 | Screw | Нет в продаже |
|
| 13 | 904556 | Washer 8,4x16x3,0 | Нет в продаже |
|
| 14 | 370364 | Linear bearing | Нет в продаже |
|
| 15 | 513013 | Screw | Нет в продаже |
|
| 16 | 371052 | Locking rail | Нет в продаже |
|
| 17 | 500028 | Screw | Нет в продаже |
|
| 18 | 904557 | Washer 10,5x22x4 | Нет в продаже |
|
| 19 | Driversseat | Drivers seat | Нет в продаже |
|
| 19 | Driversseat | Drivers seat | Нет в продаже |
|
| 20 | Enginecontrol | Engine control | Нет в продаже |
|
| 21 | Forwardcontrol | Forward and reverse control | Нет в продаже |
|
| 22 | 372091 | Hand rail, right | Нет в продаже |
|
| 23 | 500029 | Screw | Нет в продаже |
|
| 24 | 904230 | Washer 10,5x22x2 | Нет в продаже |
|
| 25 | 372092 | Hand rail, left | Нет в продаже |
|
| 26 | 372093 | Hand rail, right | Нет в продаже |
|
| 27 | 603009 | Washer | Нет в продаже |
|
| 28 | 370160 | Locking lever | Нет в продаже |
|
| 29 | 370286 | Washer | Нет в продаже |
|
| 30 | 359887 | Shock absorber | Нет в продаже |
|
| 31 | 373400 | Shock absorber | Нет в продаже |
|
| 32 | 370287 | Shaft | Нет в продаже |
|
| 33 | 371056 | Rubber protection | Нет в продаже |
|
| 34 | 371057 | Holder plate | Нет в продаже |
|
| 35 | 500075 | Screw | Нет в продаже |
|
| 36 | 570004 | Hex. nut | Нет в продаже |
|
| 37 | 904228 | Washer 6,4x12x1,5 | Нет в продаже |
|
| 38 | 372094 | Hand rail, left | Нет в продаже |
|
| 39 | 370817 | Hand rail | Нет в продаже |
|
| 40 | 370294 | Holder | Нет в продаже |
|
| 41 | 370298 | Holder | Нет в продаже |
|
| 42 | 373399 | Shock absorber | Нет в продаже |
|
| 43 | 370258 | Spacer washer | Нет в продаже |
|
| 44 | 500037 | Hex. screw | Нет в продаже |
|
| 45 | 372704 | Holder | Нет в продаже |
|
| 47 | 500228 | Screw | Нет в продаже |
|
| 48 | 904233 | Washer 21x36x3 | Нет в продаже |
|
| 49 | 586022 | Lock nut M20 | Нет в продаже |
|
| 50 | Crosssliding | Cross sliding | Нет в продаже |
|
| 51 | 383705 | Instruction book holder | Нет в продаже |
|
| 52 | 357643 | Wire | Нет в продаже |
|
| 53 | 791226 | Screw | Нет в продаже |
|
1
2
3
4
4
4
4
4
4
5
5
6
6
6
6
8
8
8
8
8
11
12
12
13
13
13
13
13
13
13
14
14
15
15
16
17
18
19
19
19
20
21
22
23
23
23
24
24
24
25
26
27
27
28
28
29
29
30
31
32
33
34
35
36
36
37
37
38
39
40
41
42
43
44
44
45
45
47
47
47
48
48
48
48
48
48
49
49
50
51
52
53
Содержащиеся в справочниках-каталогах запасные части и детали носят исключительно информационный характер