Оригинальные каталоги
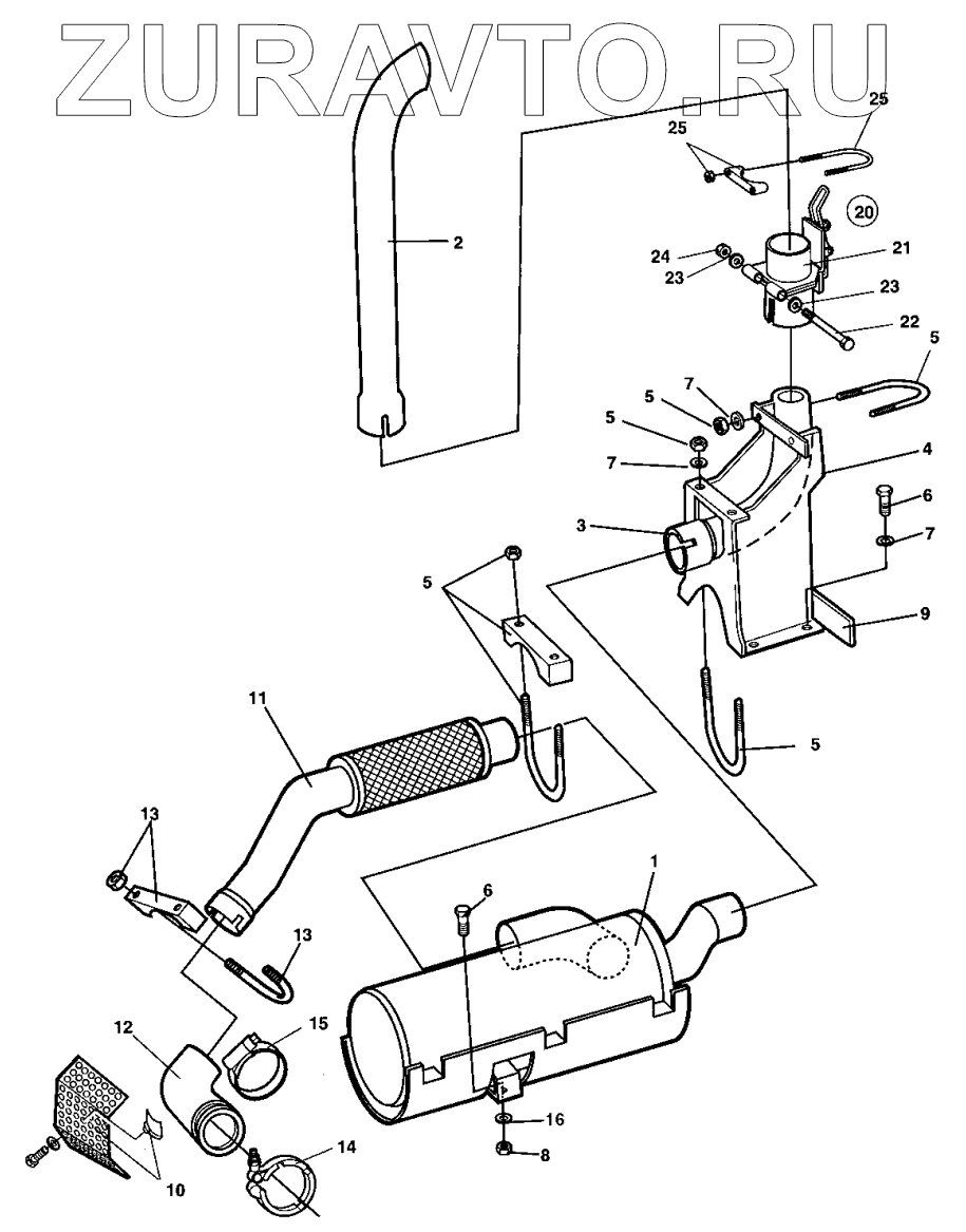
| № | Номер | Наименование | Цена | |
|---|---|---|---|---|
| 1 | 382179 | Muffler | Нет в продаже |
|
| 2 | 370491 | Exhaust pipe | Нет в продаже |
|
| 3 | 370618 | Exhaust pipe | Нет в продаже |
|
| 4 | 370492 | Bracket | Нет в продаже |
|
| 5 | 313094 | Pipe clamp | Нет в продаже |
|
| 6 | 500022 | Screw | Нет в продаже |
|
| 7 | 904556 | Washer 8,4x16x3,0 | Нет в продаже |
|
| 8 | 586003 | Lock nut M8 | Нет в продаже |
|
| 9 | 902166 | Edge trim | Нет в продаже |
|
| 10 | 387776 | Heat protection | Нет в продаже |
|
| 11 | 382537 | Exhaust pipe | Нет в продаже |
|
| 12 | 372491 | Exhaust pipe | Нет в продаже |
|
| 13 | 313094 | Pipe clamp | Нет в продаже |
|
| 14 | 929185 | Clamp | Нет в продаже |
|
| 15 | 313022 | Hose clamp | Нет в продаже |
|
| 16 | 904229 | Washer 8,4x16x1,5 | Нет в продаже |
|
| 20 | 373694 | Hinged exhaust pipe, cpl | Нет в продаже |
|
| 21 | Hingedexhaustpipe | Hinged exhaust pipe | Нет в продаже |
|
| 22 | 500267 | Screw | Нет в продаже |
|
| 23 | 600009 | Washer | Нет в продаже |
|
| 24 | 586019 | Lock nut M12 | Нет в продаже |
|
| 25 | 313094 | Pipe clamp | Нет в продаже |
|
1
2
3
4
5
5
5
5
5
6
6
7
7
7
8
9
10
11
12
13
13
14
15
16
20
21
22
23
23
24
25
25
Содержащиеся в справочниках-каталогах запасные части и детали носят исключительно информационный характер