Оригинальные каталоги
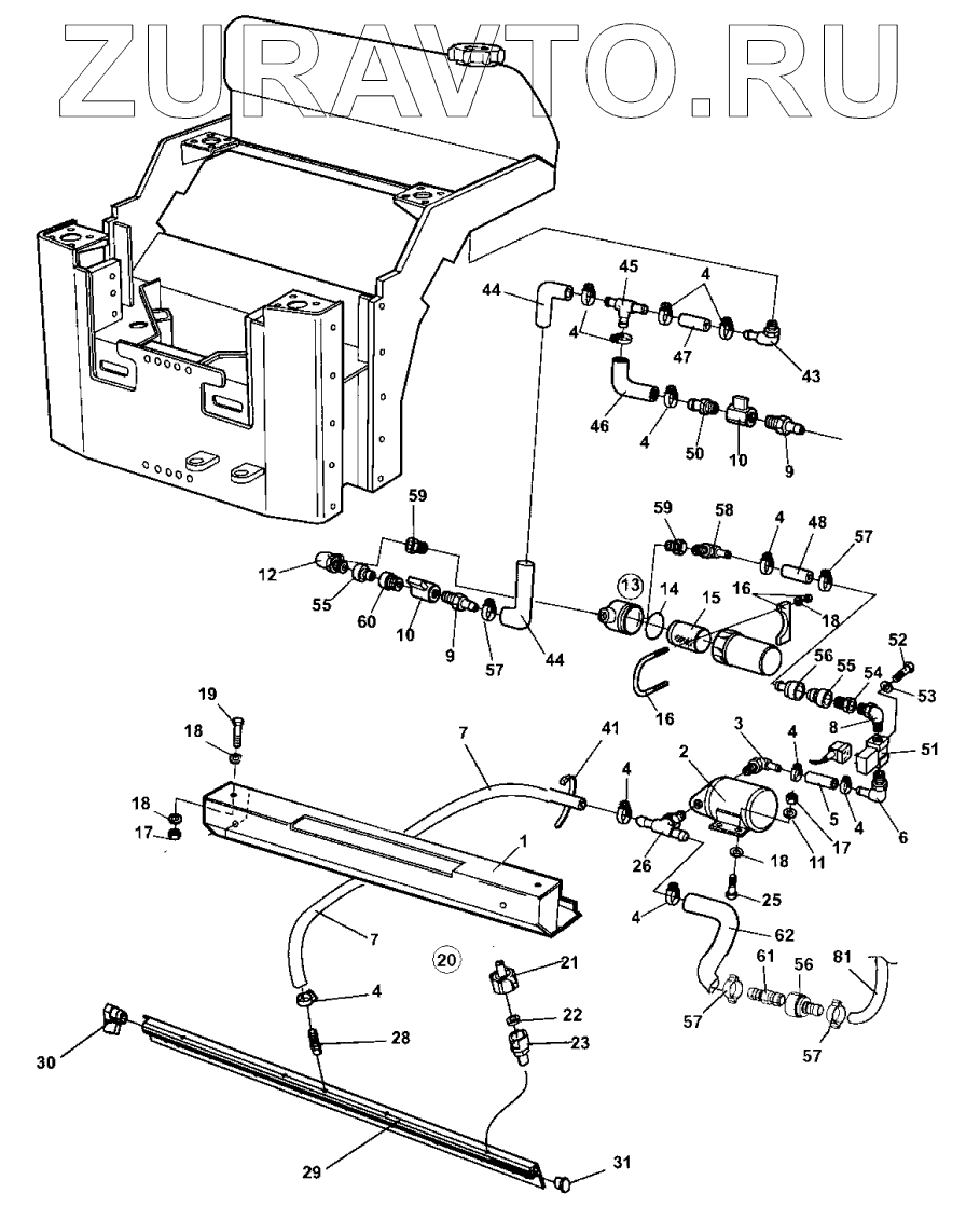
| № | Номер | Наименование | Цена | |
|---|---|---|---|---|
| 393697 | 393697 | Nozzle and strainer, yellow | Нет в продаже |
|
| 390615 | 390615 | Nozzle and strainer, blue | Нет в продаже |
|
| 390616 | 390616 | Nozzle and strainer, red | Нет в продаже |
|
| 390619 | 390619 | Nozzle and strainer, brown | Нет в продаже |
|
| 1 | 382639 | Sprinkler box | Нет в продаже |
|
| 2 | 383697 | Water pump | Нет в продаже |
|
| 3 | 923734 | Hose connection | Нет в продаже |
|
| 4 | 313002 | Hose clamp | Нет в продаже |
|
| 5 | 904878 | Hose reinforced | Нет в продаже |
|
| 6 | 901431 | Hose connection | Нет в продаже |
|
| 7 | 904878 | Hose reinforced | Нет в продаже |
|
| 8 | 791134 | Elbow 90 | Нет в продаже |
|
| 9 | 924544 | Hose connection | Нет в продаже |
|
| 10 | 925599 | Valve | Нет в продаже |
|
| 11 | 904556 | Washer 8,4x16x3,0 | Нет в продаже |
|
| 12 | 901298 | Connector | Нет в продаже |
|
| 13 | 791130 | Strainer cpl | Нет в продаже |
|
| 14 | 938307 | O-ring | Нет в продаже |
|
| 15 | 938306 | Strainer | Нет в продаже |
|
| 16 | 313036 | Clamp | Нет в продаже |
|
| 17 | 570005 | Nut | Нет в продаже |
|
| 18 | 904229 | Washer 8,4x16x1,5 | Нет в продаже |
|
| 19 | 500022 | Screw | Нет в продаже |
|
| 20 | 392011 | Spraying nozzle, cpl | Нет в продаже |
|
| 21 | 392509 | Retainer, nozzle, strainer, yellow | Нет в продаже |
|
| 22 | 392510 | Gasket | Нет в продаже |
|
| 23 | 392508 | Housing | Нет в продаже |
|
| 25 | 500020 | Screw | Нет в продаже |
|
| 26 | 792289 | Adapter | Нет в продаже |
|
| 28 | 791977 | Hose connection | Нет в продаже |
|
| 29 | Sprinklerpipe | Sprinkler pipe/bracket | Нет в продаже |
|
| 30 | 233215 | Ball valve | Нет в продаже |
|
| 31 | 791974 | Plug threaded | Нет в продаже |
|
| 41 | 313041 | Cable ties | Нет в продаже |
|
| 43 | 924996 | Hose connection | Нет в продаже |
|
| 43 | 924544 | Hose connection | Нет в продаже |
|
| 44 | 904878 | Hose reinforced | Нет в продаже |
|
| 44 | 904878 | Hose reinforced | Нет в продаже |
|
| 45 | 923735 | Hose connection | Нет в продаже |
|
| 46 | 904878 | Hose reinforced | Нет в продаже |
|
| 47 | 904878 | Hose reinforced | Нет в продаже |
|
| 47 | 904878 | Hose reinforced | Нет в продаже |
|
| 48 | 904878 | Hose reinforced | Нет в продаже |
|
| 48 | 904878 | Hose reinforced | Нет в продаже |
|
| 50 | 924544 | Hose connection | Нет в продаже |
|
| 51 | 287713 | Solenoid valve | Нет в продаже |
|
| 52 | 500002 | Screw | Нет в продаже |
|
| 53 | 904698 | Washer 4,3x8x0,8 | Нет в продаже |
|
| 54 | 791135 | Connector | Нет в продаже |
|
| 55 | 791128 | Quick coupling | Нет в продаже |
|
| 56 | 791126 | Quick coupling | Нет в продаже |
|
| 57 | 814071 | Hose clamp | Нет в продаже |
|
| 58 | 924996 | Hose connection | Нет в продаже |
|
| 59 | 903886 | Adapter | Нет в продаже |
|
| 60 | 791125 | Quick coupling | Нет в продаже |
|
| 61 | 791127 | Quick coupling | Нет в продаже |
|
| 62 | 904878 | Hose reinforced | Нет в продаже |
|
| 80 | Sprinklingtank | Sprinkling tank | Нет в продаже |
|
| 81 | Plastichose | Plastic hose | Нет в продаже |
|
1
2
3
4
4
4
4
4
4
4
4
4
5
6
7
7
8
9
9
10
10
11
12
13
14
15
16
16
17
17
18
18
18
18
19
20
21
22
23
25
26
28
29
30
31
41
43
43
43
44
44
44
44
45
46
47
47
47
48
48
48
50
51
52
53
54
55
55
56
56
57
57
57
57
58
59
59
60
61
62
81
Содержащиеся в справочниках-каталогах запасные части и детали носят исключительно информационный характер