Назад

Оригинальные каталоги

zoom-in zoom-out enlarge shrink circle-right circle-left file-text2 info cart
Номер Наименование Цена
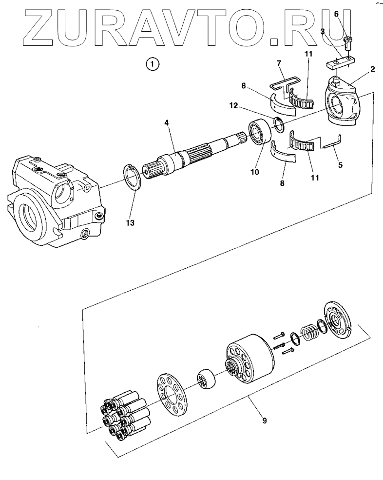
1 Rotatinggroup Rotating group Нет в продаже
2 Cradle Cradle Нет в продаже
3 4700937174 Slide ring Нет в продаже
4 Shaft Shaft Нет в продаже
5 4700936621 Wire Нет в продаже
6 4700935164 Pin Нет в продаже
7 4700937175 Wire Нет в продаже
8 4700937182 Bearing liner, 1 pair Нет в продаже
9 4812159754 Cylinder with pistons, cpl Нет в продаже
10 4700937185 Bearing Нет в продаже
11 4700937186 Cradle bearing assembly, 1 set Нет в продаже
12 4700937187 Retaining ring Нет в продаже
13 4700937188 V-ring Нет в продаже
1
2
3
4
5
6
7
8
8
9
10
11
11
12
13
100%
Содержащиеся в справочниках-каталогах запасные части и детали носят исключительно информационный характер